Boden Hydraulics Co. Ltd. Dedicada ao projeto, fabricação e venda de componentes hidráulicos
  • 
  • Início
  • Produtos+
    • Costumização
    • Aplicações+
      • Equipamentos de manuseio de materiais
      • Maquinário de construção
      • Maquinário agrícola
      • Turbinas eólicas
      • Plataformas aéreas de trabalho
      • Veículos elétricos
    • Sobre nós+
      • Sobre a empresa
      • História
      • Tour da fábrica
    • Serviços
    • Vídeos
    • Contato
    • Download Do Catálogo

    Bombas de alta e baixa pressão

    • Início
    • Produtos
    • Bombas de alta e baixa pressão
    • Bombas de alta e baixa pressão, Grupo 2G/2G

    Bombas de alta e baixa pressão, Grupo 2G/2G (3~30cm³/rev.)

    Bombas de alta e baixa pressão, Grupo 2G/2G
    Informações técnicas
    • Deslocamento: 3~30cm³/rev.
    • Sentido de rotação: sentido horário (D), anti-horário (S)
    • Velocidade mínima: 800r/mín
    • Velocidade máxima: 2500r/mín
    • Pressão máxima: 250bar
    Solicite um orçamento
    • Parâmetros técnico
    • Regras para códigos de encomenda
    • Dimensões padrão
    Bomba alta-baixa pressão, Grupo 2G/2G Parâmetro técnico
    Deslocamento Deslocamento Pressão de transbordamento Pressão contínua máxima Pressão intermitente máxima Pressão de pico máxima Velocidade mínima Velocidade máxima Eficiência volumétrica
    Y V P P1 P2 P3 nmin nmax ηv
    cm³/rev. cm³/rev. bar t/min %
    3 16 35...75 210 230 250 800 2500 ≥90
    3 18
    4 18
    4 20
    6 20
    6 22
    8 20
    8 22
    10 22
    10 25
    12 25
    12 28
    14 28
    14 30
    Regras para o código de pedido da bomba alta-baixa 2G/2G
    Download do PDF
    Regras para o código de pedido da bomba alta-baixa 2G/2G
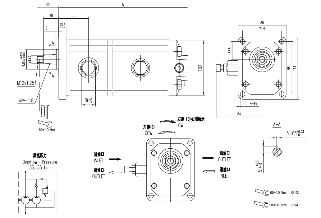
    Bomba alta-baixa pressão 2G/2G Dimensões padrão do produto
    Bombas de alta e baixa pressão, Grupo 2G/2G
    Bombas de alta e baixa pressão, Grupo 2G/2G
    Consulta
    Deslocamento Pressão máxima Pressão contínua máxima Velocidade máxuma Velocidade mínima Dimensões Código da porta de óleo Entrada Saída
    Alto Baixo P1 P2 P3 P     C M   D d
    (cm³/rev.) (cm³/rev.) bar bar bar bar (r/min) (r/min) mm mm      
    3 16 210 230 250   3500 1000 43.6 181.8 L1 G3/4 G1/2
    3 18 210 230 250 3500 1000 43.6 185.1 L1 G3/4 G1/2
    4 18 210 230 250   3500 1000 44.4 186.7 L1 G3/4 G1/2
    4 20 210 230 250   3500 1000 44.4 190 L1 G3/4 G1/2
    6 20 210 230 250   3500 1000 46 193.3 L1 G3/4 G1/2
    6 22 210 230 250   3500 1000 46 196.6 L1 G3/4 G1/2
    8 20 210 230 250 35..75 3500 1000 47.7 196.6 L1 G3/4 G1/2
    8 22 210 230 250   3500 1000 47.7 199.9 L1 G3/4 G1/2
    10 22 210 230 250   3500 1000 49.3 203.2 L1 G3/4 G1/2
    10 25 210 230 250   3500 1000 49.3 208.2 L1 G3/4 G1/2
    12 25 210 230 250   3500 1000 51 211.5 L1 G3/4 G1/2
    12 28 210 230 250   3500 1000 51 216.5 L1 G3/4 G1/2
    14 28 210 230 250   3500 1000 52.7 219.9 L1 G3/4 G1/2
    14 30 210 230 250   3500 1000 52.7 223.2 L1 G3/4 G1/2
    • Bomba de engrenagem externa
        Grupo 0.5 (0.19~2cm³/rev.) Grupo 1 (0.8~8cm³/rev.) Grupo 1.2 (0.8~12cm³/rev.) Grupo 1.25 (1.4~13.8cm³/rev.) Grupo 1.3 (1.88~9.68cm³/rev.) Grupo 1.5 (2~12cm³/rev.) Grupo 2 (3~30cm³/rev.) Grupo 2.1D (7~20cm³/rev.) Grupo 2.5D (23~40cm³/rev.) Grupo 2.5 (10~45cm³/rev.) Grupo 2.6 (6~44cm³/rev.) Grupo 3 (20~71cm³/rev.) Grupo 3.5 (21.1~105.4cm³/rev.) Grupo 4 (33.1~98.8cm³/rev.)
    • Bomba de engrenagem múltipla
        Grupo 1 + Grupo 1
        (0.8~13.8cm³/rev.)
        Grupo 1.25 + Grupo 1.25
        (1.4~13.8cm³/rev.)
        Grupo 2 + Grupo 1
        (0.8~30cm³/rev.)
        Grupo 2 + Grupo 2
        (0.8~30cm³/rev.)
        Grupo 2.5 + Grupo 2.5
        (10~45cm³/rev.)
        Grupo 2.6 + Grupo 2
        (3~44cm³/rev.)
        Grupo 2.6 + Grupo 2.6
        (6~44cm³/rev.)
        Grupo 3 + Grupo 1
        (0.8~71cm³/rev.)
        Grupo 3 + Grupo 2
        (3~71cm³/rev.)
        Grupo 3 + Grupo 3
        (3~71cm³/rev.)
        Grupo 3A + Grupo 2.6A
        (10~63cm³/rev.)
    • Divisores de fluxo
        Grupo 1.25 (1.4~230cm³/rev.) Grupo 2 (3~250cm³/rev.)
    • Bombas de alta e baixa pressão
        Grupo 1G/1G (0.8~8cm³/rev.) Grupo 1.3G/1.3G (1~13cm³/rev.) Grupo 2G/2G (3~30cm³/rev.)
    Entre em contato

    Entraremos em contato com você o mais rápido possível.

    • +86-513-83601666
    • +86-18951331823
    • sales@boden-hyd.com
    Outros Produtos
    • Bomba de engrenagem externa
      Bomba de engrenagem externa Mais
    • Bomba de engrenagem múltipla
      Bomba de engrenagem múltipla Mais
    • Divisores de fluxo
      Divisores de fluxo Mais
    Produtos
    • Bomba de engrenagem externa
    • Bomba de engrenagem múltipla
    • Divisores de fluxo
    • Bombas de alta e baixa pressão
    Aplicações
    • Equipamentos de manuseio de materiais
    • Maquinário de construção
    • Maquinário agrícola
    • Turbinas eólicas
    • Plataformas aéreas de trabalho
    • Veículos elétricos
    Sobre nós
    • Sobre a empresa
    • História
    • Tour da fábrica
    Contato

    Slyvia Shen
    sales@boden-hyd.com
    +86-513-83601666
    +86-18951331823
    +86-18951331823