Boden Hydraulics Co. Ltd. Dedicada ao projeto, fabricação e venda de componentes hidráulicos
  • 
  • Início
  • Produtos+
    • Costumização
    • Aplicações+
      • Equipamentos de manuseio de materiais
      • Maquinário de construção
      • Maquinário agrícola
      • Turbinas eólicas
      • Plataformas aéreas de trabalho
      • Veículos elétricos
    • Sobre nós+
      • Sobre a empresa
      • História
      • Tour da fábrica
    • Serviços
    • Vídeos
    • Contato
    • Download Do Catálogo

    Divisores de fluxo

    • Início
    • Produtos
    • Divisores de fluxo
    • Divisor de fluxo, Grupo 1.25

    Divisor de fluxo, Grupo 1.25 (1.4~230cm³/rev.)

    Uma combinação de vários motores hidráulicos conectados por um eixo
    Divisor de fluxo, Grupo 1.25
    Informações técnicas
    • Deslocamento: 1.4~230cm³/rev.
    • Rotation direction: reversible (R)
    • Velocidade mínima: 600r/mín
    • Velocidade máxima: 2500r/mín
    • Pressão máxima: 150~230bar
    Solicite um orçamento
    • Regras para códigos de encomenda
    • Dimensões padrão
    Regras para o código de pedido do divisor de fluxo do Grupo 1.25
    Download do PDF
    Regras para o código de pedido do divisor de fluxo do Grupo 1.25
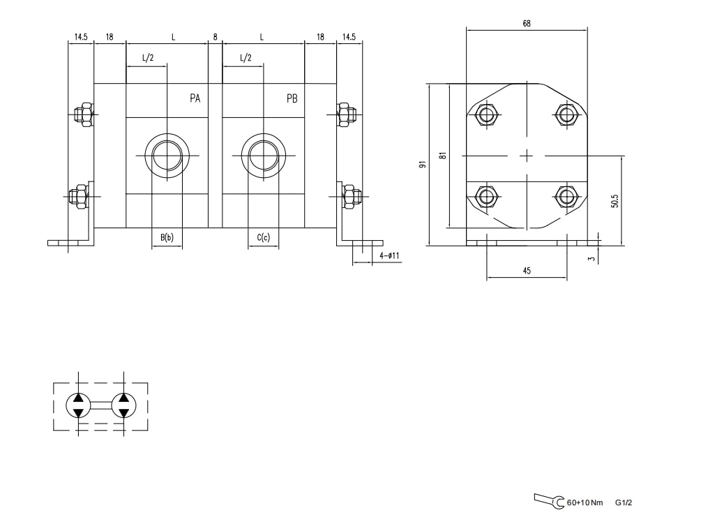
    Divisor de fluxo do grupo 1.25 Dimensões padrão do produto
    Divisor de fluxo, Grupo 1.25
    Divisor de fluxo, Grupo 1.25
    Consulta
    Deslocamento Pressão máxima Velocidade máxima Velocidade mínima Dimensões Código de porta de óleo Entrada Saída Código de porta de óleo Entrada Saída
    PA PA L PA B c PB C c
    (cm³/rev.) bar (r/mín) (r/mín) mm
    1.4 230 2500 600 44.1 L1 G1/2 G1/2 L1 G1/2 G1/2
    2.1 230 46.1 L1 G1/2 G1/2 L1 G1/2 G1/2
    2.8 230 48.1 L1 G1/2 G1/2 L1 G1/2 G1/2
    3.5 210 50.1 L1 G1/2 G1/2 L1 G1/2 G1/2
    4.1 210 52.1 L1 G1/2 G1/2 L1 G1/2 G1/2
    5.2 200 55.1 L1 G1/2 G1/2 L1 G1/2 G1/2
    6.2 200 58.1 L1 G1/2 G1/2 L1 G1/2 G1/2
    7.6 180 62.1 L1 G1/2 G1/2 L1 G1/2 G1/2
    9.3 170 67.1 L1 G1/2 G1/2 L1 G1/2 G1/2
    11 170 72.1 L1 G1/2 G1/2 L1 G1/2 G1/2
    13.8 150 80.1 L1 G1/2 G1/2 L1 G1/2 G1/2
    • Bomba de engrenagem externa
        Grupo 0.5 (0.19~2cm³/rev.) Grupo 1 (0.8~8cm³/rev.) Grupo 1.2 (0.8~12cm³/rev.) Grupo 1.25 (1.4~13.8cm³/rev.) Grupo 1.3 (1.88~9.68cm³/rev.) Grupo 1.5 (2~12cm³/rev.) Grupo 2 (3~30cm³/rev.) Grupo 2.1D (7~20cm³/rev.) Grupo 2.5D (23~40cm³/rev.) Grupo 2.5 (10~45cm³/rev.) Grupo 2.6 (6~44cm³/rev.) Grupo 3 (20~71cm³/rev.) Grupo 3.5 (21.1~105.4cm³/rev.) Grupo 4 (33.1~98.8cm³/rev.)
    • Bomba de engrenagem múltipla
        Grupo 1 + Grupo 1
        (0.8~13.8cm³/rev.)
        Grupo 1.25 + Grupo 1.25
        (1.4~13.8cm³/rev.)
        Grupo 2 + Grupo 1
        (0.8~30cm³/rev.)
        Grupo 2 + Grupo 2
        (0.8~30cm³/rev.)
        Grupo 2.5 + Grupo 2.5
        (10~45cm³/rev.)
        Grupo 2.6 + Grupo 2
        (3~44cm³/rev.)
        Grupo 2.6 + Grupo 2.6
        (6~44cm³/rev.)
        Grupo 3 + Grupo 1
        (0.8~71cm³/rev.)
        Grupo 3 + Grupo 2
        (3~71cm³/rev.)
        Grupo 3 + Grupo 3
        (3~71cm³/rev.)
        Grupo 3A + Grupo 2.6A
        (10~63cm³/rev.)
    • Divisores de fluxo
        Grupo 1.25 (1.4~230cm³/rev.) Grupo 2 (3~250cm³/rev.)
    • Bombas de alta e baixa pressão
        Grupo 1G/1G (0.8~8cm³/rev.) Grupo 1.3G/1.3G (1~13cm³/rev.) Grupo 2G/2G (3~30cm³/rev.)
    Entre em contato

    Entraremos em contato com você o mais rápido possível.

    • +86-513-83601666
    • +86-18951331823
    • sales@boden-hyd.com
    Outros Produtos
    • Bomba de engrenagem externa
      Bomba de engrenagem externa Mais
    • Bomba de engrenagem múltipla
      Bomba de engrenagem múltipla Mais
    • gh-Low Pumps
      Bombas de alta e baixa pressão Mais
    Produtos
    • Bomba de engrenagem externa
    • Bomba de engrenagem múltipla
    • Divisores de fluxo
    • Bombas de alta e baixa pressão
    Aplicações
    • Equipamentos de manuseio de materiais
    • Maquinário de construção
    • Maquinário agrícola
    • Turbinas eólicas
    • Plataformas aéreas de trabalho
    • Veículos elétricos
    Sobre nós
    • Sobre a empresa
    • História
    • Tour da fábrica
    Contato

    Slyvia Shen
    sales@boden-hyd.com
    +86-513-83601666
    +86-18951331823
    +86-18951331823