Boden Hydraulics Co. Ltd. Dedicada ao projeto, fabricação e venda de componentes hidráulicos
  • 
  • Início
  • Produtos+
    • Costumização
    • Aplicações+
      • Equipamentos de manuseio de materiais
      • Maquinário de construção
      • Maquinário agrícola
      • Turbinas eólicas
      • Plataformas aéreas de trabalho
      • Veículos elétricos
    • Sobre nós+
      • Sobre a empresa
      • História
      • Tour da fábrica
    • Serviços
    • Vídeos
    • Contato
    • Download Do Catálogo

    Bomba de engrenagem externa

    • Início
    • Produtos
    • Bomba de engrenagem externa
    • Bomba de engrenagem externa, Grupo 2.6

    Bomba de engrenagem externa, Grupo 2.6 (6~44cm³/rev.)

    Bombas hidráulicas
    Bomba de engrenagem externa, Grupo 2.6
    Bomba de engrenagem externa, Grupo 2.6 Bomba de engrenagem externa, Grupo 2.6 Bomba de engrenagem externa, Grupo 2.6 Bomba de engrenagem externa, Grupo 2.6
    Informações técnicas
    • Deslocamento: 6~44cm³/rev.
    • Sentido de rotação: sentido horário (D), anti-horário (S)
    • Velocidade mínima: 400~800r/mín
    • Velocidade máxima: 2500~4000r/mín
    • Pressão máxima: 210~300bar
    Tabela da curva de desempenho
    Indústrias atendidas
    • Máquinas de construção, Máquinas agrícolas, Sistema hidráulico
    Solicite um orçamento

    Características
    • Baixo ruído, alta eficiência, longa vida útil
    • Alto desempenho mesmo em baixas velocidades
    • Várias opções de porta de óleo e extensão do eixo disponíveis
    • Vedação do eixo sem vazamentos
    • Parâmetros técnico
    • Regras para códigos de encomenda
    • Dimensões padrão
    Parâmetros técnicos
    Deslocamento Pressão absoluta de sucção Pressão máxima contínua Pressão máxima intermitente Pressão máxima de pico Velocidade mínima Velocidade máxima Eficiência volumétrica
    V Pe P1 P2 P3 nmín nmáx ηv
    cn¹/rev bar r/nin %
    6 0.7...3 250 280 300 800 4000 ≥92
    8
    10 700
    12 3500
    14 600
    16
    19 500 3000 ≥93
    22
    25
    28
    30 230 250 260 400 ≥94
    32
    36 200 230 250 2750
    38
    40 170 190 210 2500 ≥95
    44
    Regras para códigos de encomenda
    Download do PDF
    Group 2.6 External Gear Pump Regras para códigos de encomenda
    Bomba de engrenagem externa, Grupo 2.6
    Bomba de engrenagem externa, Grupo 2.6
    Bomba de engrenagem externa, Grupo 2.6
    Bomba de engrenagem externa, Grupo 2.6
    Bomba de engrenagem externa, Grupo 2.6
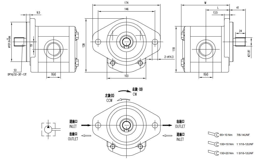
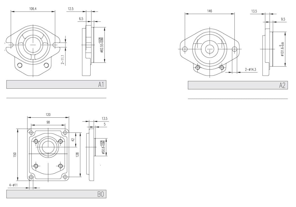
    Dimensões padrão
    Bomba de engrenagem externa, Grupo 2.6
    Bomba de engrenagem externa, Grupo 2.6
    Consulta
    Deslocamento Pressão máxima Velocidade máxima Velocidade mínima Peso Dimensões Código de porta de óleo Entrada Saída
    P1 P2 P3 M L D d
    (cm³/rev.) bar bar bar (r/mín) (r/mín) Kg mm mm
    6 250 280 300 4000 800 4 103 49.3 L0 G3/4 G1/2
    8 250 280 300 4000 800 4.3 105 50.3 L0 G3/4 G1/2
    10 250 280 300 4000 700 4.6 107 51.3 L0 G3/4 G1/2
    12 250 280 300 3500 700 4.9 110 52.5 L0 G3/4 G1/2
    14 250 280 300 3500 600 5.2 111 53.3 L0 G3/4 G1/2
    16 250 280 300 3500 600 5.5 114 54.5 L0 G3/4 G1/2
    19 250 280 300 3000 500 5.8 117 56.3 L0 G3/4 G1/2
    22 250 280 300 3000 500 6.1 121 58 L0 G3/4 G1/2
    25 250 280 300 3000 500 6.4 123 59.3 L1 G1 G3/4
    28 250 280 300 3000 500 6.7 126 60.8 L1 G1 G3/4
    30 230 250 260 3000 500 7 129 62 L1 G1 G3/4
    32 230 250 260 3000 400 7.3 131 63.3 L1 G1 G3/4
    36 200 230 250 2750 400 7.6 135 65.3 L1 G1 G3/4
    38 200 230 250 2750 400 7.9 137 66.3 L1 G1 G3/4
    40 170 190 210 2500 400 8.2 139 67.3 L1 G1 G3/4
    44 170 190 210 2500 400 8.5 144 69.5 L1 G1 G3/4
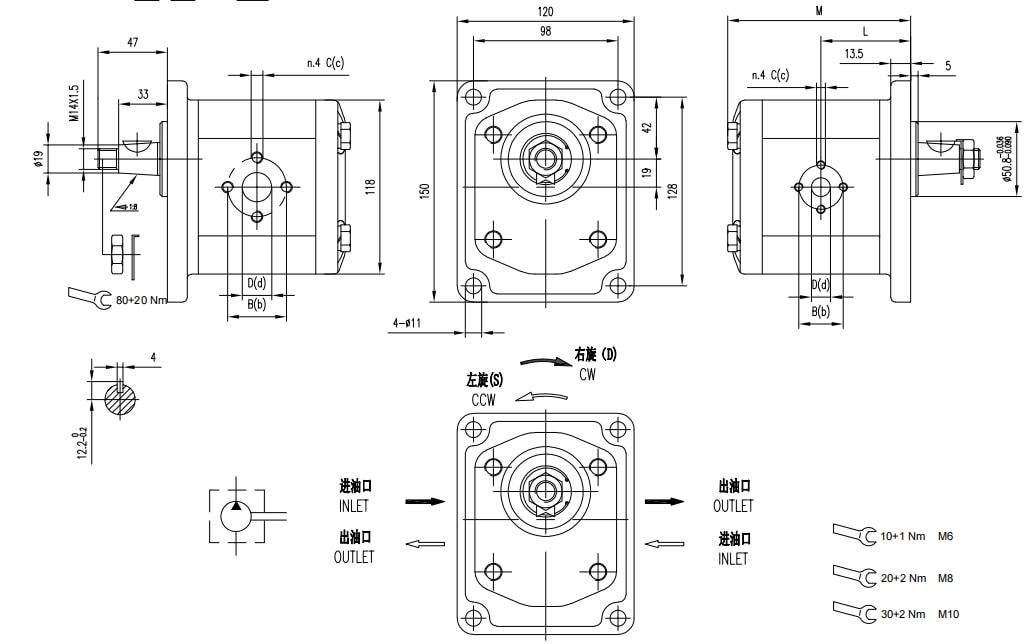
    Bomba de engrenagem externa, Grupo 2.6
    Bomba de engrenagem externa, Grupo 2.6
    Consulta
    Deslocamento Pressão máxima Velocidade máxima Velocidade mínima Peso Dimensões Código de porta de óleo Entrada Saída
    P1 P2 P3 M L B D C b d c
    (cm³/rev.) bar bar bar (r/mín) (r/mín) Kg mm mm mm mm mm mm
    6 250 280 300 4000 800 4 103 49.3 E0 30 13 M6 30 13 M6
    8 250 280 300 4000 800 4.3 105 50.3 E0 30 13 M6 30 13 M6
    10 250 280 300 4000 700 4.6 107 51.3 E1 40 20 M8 30 13 M6
    12 250 280 300 3500 700 4.9 110 52.5 E1 40 20 M8 30 13 M6
    14 250 280 300 3500 600 5.2 111 53.3 E1 40 20 M8 30 13 M6
    16 250 280 300 3500 600 5.5 114 54.5 E1 40 20 M8 30 13 M6
    19 250 280 300 3000 500 5.8 117 56.3 E1 40 20 M8 30 13 M6
    22 250 280 300 3000 500 6.1 121 58 E2 51 25 M10 40 18 M8
    25 250 280 300 3000 500 6.4 123 59.3 E2 51 25 M10 40 18 M8
    28 250 280 300 3000 500 6.7 126 60.8 E2 51 25 M10 40 18 M8
    30 230 250 260 3000 500 7 129 62 E2 51 25 M10 40 18 M8
    32 230 250 260 3000 400 7.3 131 63.3 E2 51 25 M10 40 18 M8
    36 200 230 250 2750 400 7.6 135 65.3 E2 51 25 M10 40 18 M8
    38 200 230 250 2750 400 7.9 137 66.3 E2 51 25 M10 40 18 M8
    40 170 190 210 2500 400 8.2 139 67.3 E2 51 25 M10 40 18 M8
    44 170 190 210 2500 400 8.5 144 69.5 E2 51 25 M10 40 18 M8
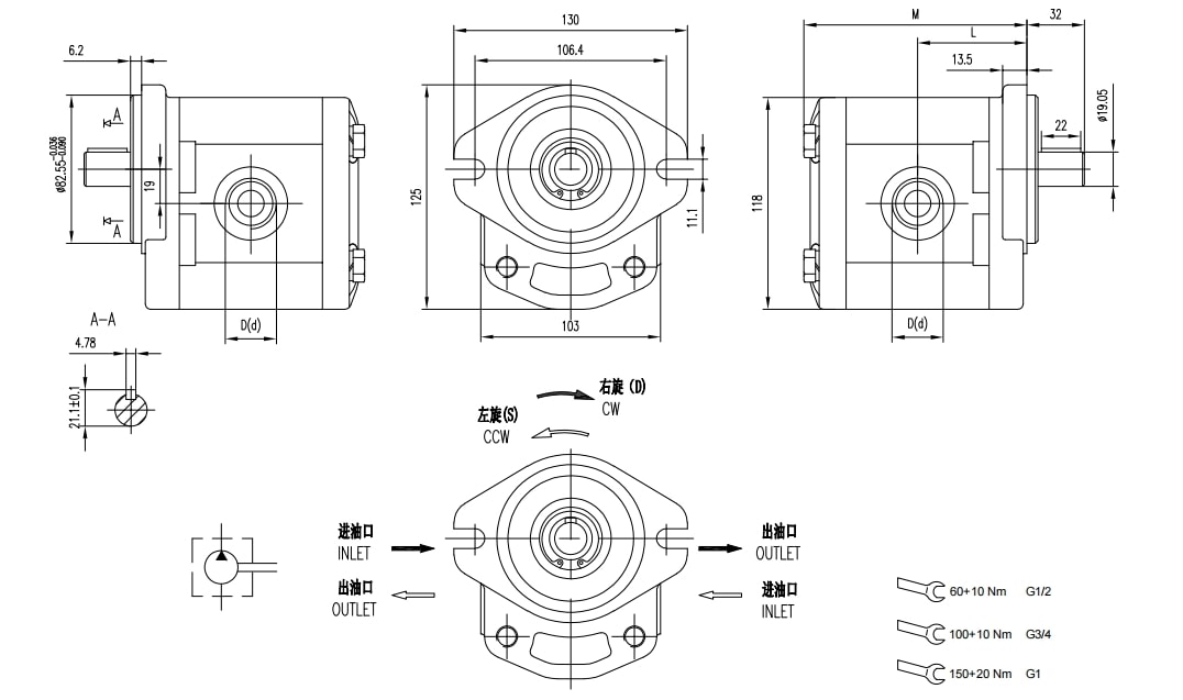
    Bomba de engrenagem externa, Grupo 2.6
    Bomba de engrenagem externa, Grupo 2.6
    Consulta
    Deslocamento Pressão máxima Velocidade máxima Velocidade mínima Peso Dimensões Código de porta de óleo Entrada Saída
    P1 P2 P3 M L D d
    (cm³/rev.) bar bar bar (r/mín) (r/mín) Kg mm mm
    6 250 280 300 4000 800 4 103 49.3 U0 1/16-12UNF 7/8-14UNF
    8 250 280 300 4000 800 4.3 105 50.3 U0 1/16-12UNF 7/8-14UNF
    10 250 280 300 4000 700 4.6 107 51.3 U0 1/16-12UNF 7/8-14UNF
    12 250 280 300 3500 700 4.9 110 52.5 U0 1/16-12UNF 7/8-14UNF
    14 250 280 300 3500 600 5.2 111 53.3 U0 1/16-12UNF 7/8-14UNF
    16 250 280 300 3500 600 5.5 114 54.5 U0 1/16-12UNF 7/8-14UNF
    19 250 280 300 3000 500 5.8 117 56.3 U0 1/16-12UN 7/8-14UNF
    22 250 280 300 3000 500 6.1 121 58 U0 1/16-12UNF 7/8-14UNF
    25 250 280 300 3000 500 6.4 123 59.3 U1 5/16-12UNF 1/16-12UNF
    28 250 280 300 3000 500 6.7 126 60.8 U1 5/16-12UNF 1/16-12UNF
    30 230 250 260 3000 500 7 129 62 U1 5/16-12UNF 1/16-12UNF
    32 230 250 260 3000 400 7.3 131 63.3 U1 5/16-12UNF 1/16-12UNF
    36 200 230 250 2750 400 7.6 135 65.3 U1 5/16-12UNF 1/16-12UNF
    38 200 230 250 2750 400 7.9 137 66.3 U1 5/16-12UNF 1/16-12UNF
    40 170 190 210 2500 400 8.2 139 67.3 U1 5/16-12UNF 1/16-12UNF
    44 170 190 210 2500 400 8.5 144 69.5 U1 5/16-12UNE 1/16-12UNF
    Bomba de engrenagem externa, Grupo 2.6
    Bomba de engrenagem externa, Grupo 2.6
    Consulta
    Deslocamento Pressão máxima Velocidade máxima Velocidade mínima Peso Dimensões Código de porta de óleo Entrada Saída
    P1 P2 P3 M D d
    (cm³/rev.) bar bar bar (r/mín) (r/mín) Kg mm
    6 250 280 300 4000 800 4.15 118 L0 G3/4 G1/2
    8 250 280 300 4000 800 4.45 120 L0 G3/4 G1/2
    10 250 280 300 4000 700 4.75 122 L0 G3/4 G1/2
    12 250 280 300 3500 700 5.05 125 L0 G3/4 G1/2
    14 250 280 300 3500 600 5.35 126 L0 G3/4 G1/2
    16 250 280 300 3500 600 5.65 129 L0 G3/4 G1/2
    19 250 280 300 3000 500 5.95 132 L0 G3/4 G1/2
    22 250 280 300 3000 500 6.25 136 L0 G3/4 G1/2
    25 250 280 300 3000 500 6.55 138 L1 G1 G3/4
    28 250 280 300 3000 500 6.85 141 L1 G1 G3/4
    30 230 250 260 3000 500 7.15 144 L1 G1 G3/4
    32 230 250 260 3000 400 7.45 146 L1 G1 G3/4
    36 200 230 250 2750 400 7.75 150 L1 G1 G3/4
    38 200 230 250 2750 400 8.05 152 L1 G1 G3/4
    40 170 190 210 2500 400 8.35 154 L1 G1 G3/4
    44 170 190 210 2500 400 8.65 159 L1 G1 G3/4
    • Bomba de engrenagem externa
        Grupo 0.5 (0.19~2cm³/rev.) Grupo 1 (0.8~8cm³/rev.) Grupo 1.2 (0.8~12cm³/rev.) Grupo 1.25 (1.4~13.8cm³/rev.) Grupo 1.3 (1.88~9.68cm³/rev.) Grupo 1.5 (2~12cm³/rev.) Grupo 2 (3~30cm³/rev.) Grupo 2.1D (7~20cm³/rev.) Grupo 2.5D (23~40cm³/rev.) Grupo 2.5 (10~45cm³/rev.) Grupo 2.6 (6~44cm³/rev.) Grupo 3 (20~71cm³/rev.) Grupo 3.5 (21.1~105.4cm³/rev.) Grupo 4 (33.1~98.8cm³/rev.)
    • Bomba de engrenagem múltipla
        Grupo 1 + Grupo 1
        (0.8~13.8cm³/rev.)
        Grupo 1.25 + Grupo 1.25
        (1.4~13.8cm³/rev.)
        Grupo 2 + Grupo 1
        (0.8~30cm³/rev.)
        Grupo 2 + Grupo 2
        (0.8~30cm³/rev.)
        Grupo 2.5 + Grupo 2.5
        (10~45cm³/rev.)
        Grupo 2.6 + Grupo 2
        (3~44cm³/rev.)
        Grupo 2.6 + Grupo 2.6
        (6~44cm³/rev.)
        Grupo 3 + Grupo 1
        (0.8~71cm³/rev.)
        Grupo 3 + Grupo 2
        (3~71cm³/rev.)
        Grupo 3 + Grupo 3
        (3~71cm³/rev.)
        Grupo 3A + Grupo 2.6A
        (10~63cm³/rev.)
    • Divisores de fluxo
        Grupo 1.25 (1.4~230cm³/rev.) Grupo 2 (3~250cm³/rev.)
    • Bombas de alta e baixa pressão
        Grupo 1G/1G (0.8~8cm³/rev.) Grupo 1.3G/1.3G (1~13cm³/rev.) Grupo 2G/2G (3~30cm³/rev.)
    Produtos relacionados
    Bomba de engrenagem externa, Grupo 3 Bomba de engrenagem externa, Grupo 3
    Bomba de engrenagem externa, Grupo 3.5 Bomba de engrenagem externa, Grupo 3.5
    Mini bomba de engrenagem externa, Grupo 4 Mini bomba de engrenagem externa, Grupo 4
    Mini bomba de engranagem externa, Grupo 0.5 Mini bomba de engranagem externa, Grupo 0.5
    Mini bomba de engrenagem externa, Grupo 1 Mini bomba de engrenagem externa, Grupo 1
    Mini bomba de engrenagem externa, Grupo 1.2 Mini bomba de engrenagem externa, Grupo 1.2
    Mini bomba de engrenagem externa, Grupo 1.25 Mini bomba de engrenagem externa, Grupo 1.25
    Mini bomba de engrenagem externa, Grupo 1.3 Mini bomba de engrenagem externa, Grupo 1.3
    Mini bomba de engrenagem externa, Grupo 1.5 Mini bomba de engrenagem externa, Grupo 1.5
    Bomba de engrenagem externa, Grupo 2 Bomba de engrenagem externa, Grupo 2
    Bomba de engrenagem externa, Grupo 2.1D Bomba de engrenagem externa, Grupo 2.1D
    Bomba de engrenagem externa, Grupo 2.5D Bomba de engrenagem externa, Grupo 2.5D
    Bomba de engrenagem externa, Grupo 2.5 Bomba de engrenagem externa, Grupo 2.5
    Bomba de engrenagem externa, Grupo 2.6 Bomba de engrenagem externa, Grupo 2.6
    Entre em contato

    Entraremos em contato com você o mais rápido possível.

    • +86-513-83601666
    • +86-18951331823
    • sales@boden-hyd.com
    Outros Produtos
    • Bomba de engrenagem múltipla
      Bomba de engrenagem múltipla Mais
    • Divisores de fluxo
      Divisores de fluxo Mais
    • gh-Low Pumps
      Bombas de alta e baixa pressão Mais
    Produtos
    • Bomba de engrenagem externa
    • Bomba de engrenagem múltipla
    • Divisores de fluxo
    • Bombas de alta e baixa pressão
    Aplicações
    • Equipamentos de manuseio de materiais
    • Maquinário de construção
    • Maquinário agrícola
    • Turbinas eólicas
    • Plataformas aéreas de trabalho
    • Veículos elétricos
    Sobre nós
    • Sobre a empresa
    • História
    • Tour da fábrica
    Contato

    Slyvia Shen
    sales@boden-hyd.com
    +86-513-83601666
    +86-18951331823
    +86-18951331823