Boden Hydraulics Co. Ltd. Dedicada ao projeto, fabricação e venda de componentes hidráulicos
  • 
  • Início
  • Produtos+
    • Costumização
    • Aplicações+
      • Equipamentos de manuseio de materiais
      • Maquinário de construção
      • Maquinário agrícola
      • Turbinas eólicas
      • Plataformas aéreas de trabalho
      • Veículos elétricos
    • Sobre nós+
      • Sobre a empresa
      • História
      • Tour da fábrica
    • Serviços
    • Vídeos
    • Contato
    • Download Do Catálogo

    Bomba de engrenagem externa

    • Início
    • Produtos
    • Bomba de engrenagem externa
    • Mini bomba de engrenagem externa, Grupo 4

    Mini bomba de engrenagem externa, Grupo 4 (33.1~98.8cm³/rev.)

    Bombas hidráulicas
    Mini bomba de engrenagem externa, Grupo 4
    Informações técnicas
    • Deslocamento: 33.1~98.8cm³/rev.
    • Sentido de rotação: no sentido horário (D), anti-horário (S), reversível (R)
    • Velocidade mínima: 600r/mín
    • Velocidade máxima: 2400r/mín
    • Pressão máxima: 210~250bar
    Tabela da curva de desempenho
    Indústrias atendidas
    • Maquinário de construção
    Solicite um orçamento
    • Parâmetros técnico
    • Regras para códigos de encomenda
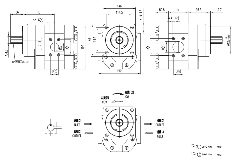
    • Dimensões padrão
    Parâmetros técnicos
    Deslocamento Pressão absoluta de sucção Pressão máxima contínua Pressão máxima intermitente Pressão máxima de pico Velocidade mínima Velocidade máxima Eficiência volumétrica
    Y Pe P1 P2 P3 nmín nmáx ηv
    cm²/rev bar r/mín %
    33.1 0.7...3 210 230 250 600 2400 ≥90
    49.7
    66.3
    82.8
    99.4
    116
    132.5
    149.1
    165.7
    182.2 180 190 210
    98.8
    Regras para códigos de encomenda
    Download do PDF
    Group 4 External Gear Pump Regras para códigos de encomenda
    Mini bomba de engrenagem externa, Grupo 4
    Mini bomba de engrenagem externa, Grupo 4
    Mini bomba de engrenagem externa, Grupo 4
    Regras para códigos de encomenda
    Mini bomba de engrenagem externa, Grupo 4
    Mini bomba de engrenagem externa, Grupo 4
    Consulta
    Deslocamento Pressão máxima Velocidade máxima Velocidade mínima Peso Dimensões Código de porta de óleo Entrada Saída
    P1 P2 P3 M L A B C D a b c d
    (cm³/rev.) bar bar bar (r/mín) (r/mín) Kg mm mm mm mm mm mm mm mm
    33.1 210 230 250 2200 600 29.6 101.6 38.1 F1 58.7 30.2 M10 31.8 47.6 22.3 M10 19
    49.7 210 230 250 2200 600 30.4 104.8 44.45 F3 69.9 35.7 M12 38.1 52.4 26.2 M10 25.4
    66.3 210 230 250 2200 600 31.6 108 50.8 F3 69.9 35.7 M12 38.1 52.4 26.2 M10 25.4
    82.8 210 230 250 2200 600 32.6 111 57.15 F5 77.8 42.92 M12 50.8 52.4 26.2 M10 25.4
    99.4 210 230 250 2200 600 33.4 114.3 63.5 F5 77.8 42.92 M12 50.8 52.4 26.2 M10 25.4
    116 210 230 250 2200 600 34.8 117.5 69.85 F6 88.9 50.8 M12 63.5 69.9 35.7 M12 38.1
    132.5 210 230 250 2200 600 36.1 120.7 76.2 F6 88.9 50.8 M12 63.5 69.9 35.7 M12 38.1
    149.1 180 190 210 2200 600 37.4 123.8 82.55 F6 88.9 50.8 M12 63.5 69.9 35.7 M12 38.1
    165.7 180 190 210 2200 600 38.7 127 88.9 F6 88.9 50.8 M12 63.5 69.9 35.7 M12 38.1
    182.2 180 190 210 2200 600 39.6 130.2 95.25 F6 88.9 50.8 M12 63.5 69.9 35.7 M12 38.1
    198.8 180 190 210 2200 600 40.5 133.4 101.6 F7 88.9 50.8 M12 63.5 77.8 42.92 M12 50.8
    • Bomba de engrenagem externa
        Grupo 0.5 (0.19~2cm³/rev.) Grupo 1 (0.8~8cm³/rev.) Grupo 1.2 (0.8~12cm³/rev.) Grupo 1.25 (1.4~13.8cm³/rev.) Grupo 1.3 (1.88~9.68cm³/rev.) Grupo 1.5 (2~12cm³/rev.) Grupo 2 (3~30cm³/rev.) Grupo 2.1D (7~20cm³/rev.) Grupo 2.5D (23~40cm³/rev.) Grupo 2.5 (10~45cm³/rev.) Grupo 2.6 (6~44cm³/rev.) Grupo 3 (20~71cm³/rev.) Grupo 3.5 (21.1~105.4cm³/rev.) Grupo 4 (33.1~98.8cm³/rev.)
    • Bomba de engrenagem múltipla
        Grupo 1 + Grupo 1
        (0.8~13.8cm³/rev.)
        Grupo 1.25 + Grupo 1.25
        (1.4~13.8cm³/rev.)
        Grupo 2 + Grupo 1
        (0.8~30cm³/rev.)
        Grupo 2 + Grupo 2
        (0.8~30cm³/rev.)
        Grupo 2.5 + Grupo 2.5
        (10~45cm³/rev.)
        Grupo 2.6 + Grupo 2
        (3~44cm³/rev.)
        Grupo 2.6 + Grupo 2.6
        (6~44cm³/rev.)
        Grupo 3 + Grupo 1
        (0.8~71cm³/rev.)
        Grupo 3 + Grupo 2
        (3~71cm³/rev.)
        Grupo 3 + Grupo 3
        (3~71cm³/rev.)
        Grupo 3A + Grupo 2.6A
        (10~63cm³/rev.)
    • Divisores de fluxo
        Grupo 1.25 (1.4~230cm³/rev.) Grupo 2 (3~250cm³/rev.)
    • Bombas de alta e baixa pressão
        Grupo 1G/1G (0.8~8cm³/rev.) Grupo 1.3G/1.3G (1~13cm³/rev.) Grupo 2G/2G (3~30cm³/rev.)
    Produtos relacionados
    Mini bomba de engranagem externa, Grupo 0.5 Mini bomba de engranagem externa, Grupo 0.5
    Mini bomba de engrenagem externa, Grupo 1 Mini bomba de engrenagem externa, Grupo 1
    Mini bomba de engrenagem externa, Grupo 1.2 Mini bomba de engrenagem externa, Grupo 1.2
    Mini bomba de engrenagem externa, Grupo 1.25 Mini bomba de engrenagem externa, Grupo 1.25
    Mini bomba de engrenagem externa, Grupo 1.3 Mini bomba de engrenagem externa, Grupo 1.3
    Mini bomba de engrenagem externa, Grupo 1.5 Mini bomba de engrenagem externa, Grupo 1.5
    Bomba de engrenagem externa, Grupo 2 Bomba de engrenagem externa, Grupo 2
    Bomba de engrenagem externa, Grupo 2.1D Bomba de engrenagem externa, Grupo 2.1D
    Bomba de engrenagem externa, Grupo 2.5D Bomba de engrenagem externa, Grupo 2.5D
    Bomba de engrenagem externa, Grupo 2.5 Bomba de engrenagem externa, Grupo 2.5
    Bomba de engrenagem externa, Grupo 2.6 Bomba de engrenagem externa, Grupo 2.6
    Bomba de engrenagem externa, Grupo 3 Bomba de engrenagem externa, Grupo 3
    Bomba de engrenagem externa, Grupo 3.5 Bomba de engrenagem externa, Grupo 3.5
    Mini bomba de engrenagem externa, Grupo 4 Mini bomba de engrenagem externa, Grupo 4
    Entre em contato

    Entraremos em contato com você o mais rápido possível.

    • +86-513-83601666
    • +86-18951331823
    • sales@boden-hyd.com
    Outros Produtos
    • Bomba de engrenagem múltipla
      Bomba de engrenagem múltipla Mais
    • Divisores de fluxo
      Divisores de fluxo Mais
    • gh-Low Pumps
      Bombas de alta e baixa pressão Mais
    Produtos
    • Bomba de engrenagem externa
    • Bomba de engrenagem múltipla
    • Divisores de fluxo
    • Bombas de alta e baixa pressão
    Aplicações
    • Equipamentos de manuseio de materiais
    • Maquinário de construção
    • Maquinário agrícola
    • Turbinas eólicas
    • Plataformas aéreas de trabalho
    • Veículos elétricos
    Sobre nós
    • Sobre a empresa
    • História
    • Tour da fábrica
    Contato

    Slyvia Shen
    sales@boden-hyd.com
    +86-513-83601666
    +86-18951331823
    +86-18951331823