Boden Hydraulics Co. Ltd. Dedicada ao projeto, fabricação e venda de componentes hidráulicos
  • 
  • Início
  • Produtos+
    • Costumização
    • Aplicações+
      • Equipamentos de manuseio de materiais
      • Maquinário de construção
      • Maquinário agrícola
      • Turbinas eólicas
      • Plataformas aéreas de trabalho
      • Veículos elétricos
    • Sobre nós+
      • Sobre a empresa
      • História
      • Tour da fábrica
    • Serviços
    • Vídeos
    • Contato
    • Download Do Catálogo

    Bomba de engrenagem múltipla

    • Início
    • Produtos
    • Bomba de engrenagem múltipla
    • Bomba de engrenagem múltipla, Group 3 + 3

    Bomba de engrenagem múltipla, Group 3 + 3 (3~71cm³/rev.)

    Bomba de engrenagem múltipla, Group 3 + 3
    Bomba de engrenagem múltipla, Group 3 + 3 Bomba de engrenagem múltipla, Group 3 + 3
    Informações técnicas
    • Deslocamento: 3~71cm³/rev.
    • Sentido de rotação: no sentido horário (D), anti-horário (S), reversível (R)
    • Velocidade mínima: 600r/mín
    • Velocidade máxima: 2500r/mín
    • Pressão máxima: 170~285bar
    Solicite um orçamento
    • Regras para códigos de encomenda
    • Dimensões padrão
    Regras para códigos de encomenda
    Download do PDF
    Regras para códigos de encomenda
    Dimensões padrão do produto
    Bomba de engrenagem múltipla, Group 3 + 3
    Bomba de engrenagem múltipla, Group 3 + 3
    Consulta
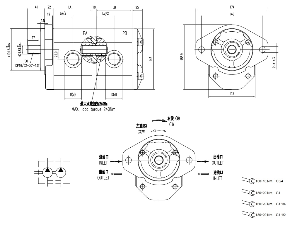
    Deslocamento Pressão máxima Velocidade máxima Velocidade mínima Dimensões Código de porta de óleo Entrada Saída Código de porta de óleo Entrada Saída
    PA PB PA PB LA LB PA D d PB D d
    (cm³/rev.) (cm³/rev.) bar bar (r/mín) (r/mín) mm mm
    20 20 250 250 2500 600 81.1 81.1 L0 G3/4 G3/4 L0 G3/4 G3/4
    22 22 250 250 83.1 83.1 L0 G3/4 G3/4 L0 G3/4 G3/4
    26 26 250 250 86.1 86.1 L1 G1 G3/4 L1 G1 G3/4
    33 33 230 230 92.1 92.1 L1 G1 G3/4 L1 G1 G3/4
    39 39 230 230 99.1 99.1 L1 G1 G3/4 L1 G1 G3/4
    46 46 230 230 105.1 105.1 L2 G11/4 G1 L2 G11/4 G1
    50 50 220 220 109.1 109.1 L2 G11/4 G1 L2 G11/4 G1
    52 52 220 220 111.1 111.1 L2 G11/4 G1 L2 G11/4 G1
    55 55 200 200 113.1 113.1 L2 G11/4 G1 L2 G11/4 G1
    63 63 200 200 121.1 121.1 L2 G11/4 G1 L2 G11/4 G1
    71 71 180 180 128.1 128.1 L3 G11/2 G11/4 L3 G11/2 G11/4
    Bomba de engrenagem múltipla, Group 3 + 3
    Bomba de engrenagem múltipla, Group 3 + 3
    Consulta
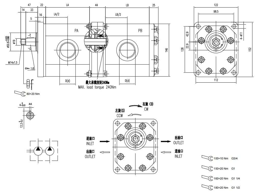
    Deslocamento Pressão máxima Velocidade máxima Velocidade mínima Dimensões Código de porta de óleo Entrada Saída Código de porta de óleo Entrada Saída
    PA PB PA PB LA LB PA D d PB D d
    (cm³/rev.) (cm³/rev.) bar bar (r/mín) (r/mín) mm mm
    20 20 250 250 2500 600 81.1 81.1 L0 G3/4 G3/4 L0 G3/4 G3/4
    22 22 250 250 83.1 83.1 L0 G3/4 G3/4 L0 G3/4 G3/4
    26 26 250 250 86.1 86.1 L1 G1 G3/4 L1 G1 G3/4
    33 33 230 230 92.1 92.1 L1 G1 G3/4 L1 G1 G3/4
    39 39 230 230 99.1 99.1 L1 G1 G3/4 L1 G1 G3/4
    46 46 230 230 105.1 105.1 L2 G11/4 G1 L2 G11/4 G1
    50 50 220 220 109.1 109.1 L2 G11/4 G1 L2 G11/4 G1
    52 52 220 220 111.1 111.1 L2 G11/4 G1 L2 G11/4 G1
    55 55 200 200 113.1 113.1 L2 G11/4 G1 L2 G11/4 G1
    63 63 200 200 121.1 121.1 L2 G11/4 G1 L2 G11/4 G1
    71 71 180 180 128.1 128.1 L3 G11/2 G11/4 L3 G11/2 G11/4
    • Bomba de engrenagem externa
        Grupo 0.5 (0.19~2cm³/rev.) Grupo 1 (0.8~8cm³/rev.) Grupo 1.2 (0.8~12cm³/rev.) Grupo 1.25 (1.4~13.8cm³/rev.) Grupo 1.3 (1.88~9.68cm³/rev.) Grupo 1.5 (2~12cm³/rev.) Grupo 2 (3~30cm³/rev.) Grupo 2.1D (7~20cm³/rev.) Grupo 2.5D (23~40cm³/rev.) Grupo 2.5 (10~45cm³/rev.) Grupo 2.6 (6~44cm³/rev.) Grupo 3 (20~71cm³/rev.) Grupo 3.5 (21.1~105.4cm³/rev.) Grupo 4 (33.1~98.8cm³/rev.)
    • Bomba de engrenagem múltipla
        Grupo 1 + Grupo 1
        (0.8~13.8cm³/rev.)
        Grupo 1.25 + Grupo 1.25
        (1.4~13.8cm³/rev.)
        Grupo 2 + Grupo 1
        (0.8~30cm³/rev.)
        Grupo 2 + Grupo 2
        (0.8~30cm³/rev.)
        Grupo 2.5 + Grupo 2.5
        (10~45cm³/rev.)
        Grupo 2.6 + Grupo 2
        (3~44cm³/rev.)
        Grupo 2.6 + Grupo 2.6
        (6~44cm³/rev.)
        Grupo 3 + Grupo 1
        (0.8~71cm³/rev.)
        Grupo 3 + Grupo 2
        (3~71cm³/rev.)
        Grupo 3 + Grupo 3
        (3~71cm³/rev.)
        Grupo 3A + Grupo 2.6A
        (10~63cm³/rev.)
    • Divisores de fluxo
        Grupo 1.25 (1.4~230cm³/rev.) Grupo 2 (3~250cm³/rev.)
    • Bombas de alta e baixa pressão
        Grupo 1G/1G (0.8~8cm³/rev.) Grupo 1.3G/1.3G (1~13cm³/rev.) Grupo 2G/2G (3~30cm³/rev.)
    Produtos relacionados
    Bomba de engrenagem múltipla, Grupo 3A + Grupo 2.6A Bomba de engrenagem múltipla, Grupo 3A + Grupo 2.6A
    Bomba de engrenagem múltipla, Grupo 1 + Grupo 1 Bomba de engrenagem múltipla, Grupo 1 + Grupo 1
    Bomba de engrenagem múltipla, Grupo 1.25 + Grupo 1.25 Bomba de engrenagem múltipla, Grupo 1.25 + Grupo 1.25
    Bomba de engrenagem múltipla, Grupo 2 + Grupo 1 Bomba de engrenagem múltipla, Grupo 2 + Grupo 1
    Bomba de engrenagem múltipla, Grupo 2 + 2 Bomba de engrenagem múltipla, Grupo 2 + 2
    Bomba de engrenagem múltipla, Grupo 2.5 + Grupo 2.5 Bomba de engrenagem múltipla, Grupo 2.5 + Grupo 2.5
    Bomba de engrenagem múltipla Group 2.6 + 2 Bomba de engrenagem múltipla Group 2.6 + 2
    Bomba de engrenagem múltipla Group 2.6 + 2.6 Bomba de engrenagem múltipla Group 2.6 + 2.6
    Bomba de engrenagem múltipla, Grupo 3 + Grupo 1 Bomba de engrenagem múltipla, Grupo 3 + Grupo 1
    Bomba de engrenagem múltipla, Grupo 3 + Grupo 2 Bomba de engrenagem múltipla, Grupo 3 + Grupo 2
    Bomba de engrenagem múltipla, Group 3 + 3 Bomba de engrenagem múltipla, Group 3 + 3
    Entre em contato

    Entraremos em contato com você o mais rápido possível.

    • +86-513-83601666
    • +86-18951331823
    • sales@boden-hyd.com
    Outros Produtos
    • Bomba de engrenagem externa
      Bomba de engrenagem externa Mais
    • Divisores de fluxo
      Divisores de fluxo Mais
    • gh-Low Pumps
      Bombas de alta e baixa pressão Mais
    Produtos
    • Bomba de engrenagem externa
    • Bomba de engrenagem múltipla
    • Divisores de fluxo
    • Bombas de alta e baixa pressão
    Aplicações
    • Equipamentos de manuseio de materiais
    • Maquinário de construção
    • Maquinário agrícola
    • Turbinas eólicas
    • Plataformas aéreas de trabalho
    • Veículos elétricos
    Sobre nós
    • Sobre a empresa
    • História
    • Tour da fábrica
    Contato

    Slyvia Shen
    sales@boden-hyd.com
    +86-513-83601666
    +86-18951331823
    +86-18951331823