Boden Hydraulics Co. Ltd. Dedicada ao projeto, fabricação e venda de componentes hidráulicos
  • 
  • Início
  • Produtos+
    • Costumização
    • Aplicações+
      • Equipamentos de manuseio de materiais
      • Maquinário de construção
      • Maquinário agrícola
      • Turbinas eólicas
      • Plataformas aéreas de trabalho
      • Veículos elétricos
    • Sobre nós+
      • Sobre a empresa
      • História
      • Tour da fábrica
    • Serviços
    • Vídeos
    • Contato
    • Download Do Catálogo

    Bomba de engrenagem externa

    • Início
    • Produtos
    • Bomba de engrenagem externa
    • Mini bomba de engranagem externa, Grupo 0.5

    Mini bomba de engranagem externa, Grupo 0.5 (0.19~2cm³/rev.)

    Bombas hidráulicas
    Mini bomba de engranagem externa, Grupo 0.5
    Mini bomba de engranagem externa, Grupo 0.5 Mini bomba de engranagem externa, Grupo 0.5 Mini bomba de engranagem externa, Grupo 0.5 Mini bomba de engranagem externa, Grupo 0.5 Mini bomba de engranagem externa, Grupo 0.5
    Informações técnicas
    • Deslocamento: 0.19~2cm³/rev.
    • Sentido de rotação: no sentido horário (D), anti-horário (S), reversível (R)
    • Velocidade mínima: 500~1000r/mín
    • Velocidade máxima: 3000~7000r/mín
    • Pressão máxima: 210~250bar
    Tabela da curva de desempenho
    Indústrias atendidas
    • Equipamentos para manuseio de materiais
    Solicite um orçamento

    Características
    • Baixo ruído, alta eficiência, longa vida útil
    • Alto desempenho mesmo em baixas velocidades
    • Várias opções de porta de óleo e extensão do eixo disponíveis
    • Vedação do eixo sem vazamentos
    • Bomba reversível opcional
    • Parâmetros técnico
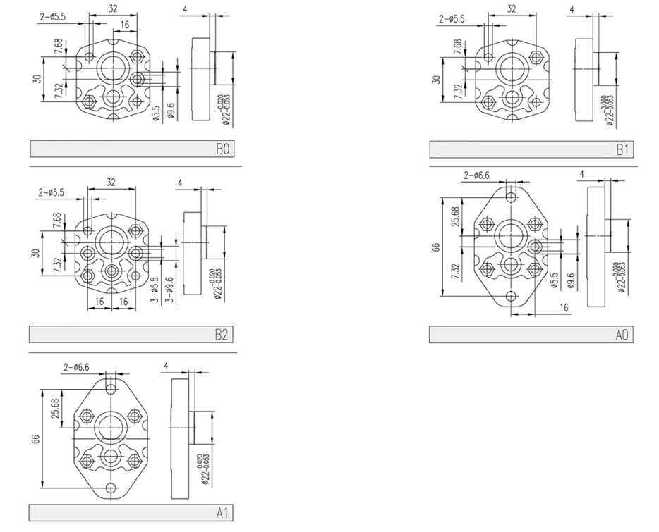
    • Regras para códigos de encomenda
    • Dimensões padrão
    Parâmetros técnicos
    Deslocamento Pressão absoluta de sucção Pressão máxima contínua Pressão máxima intermitente Pressão máxima de pico Velocidade mínima Velocidade máxima Eficiência volumétrica
    V Pe P1 P2 P3 nmín nmáx ηv
    cm³/rev. bar r/mín %
    0.19 0.7...3 200 230 250 1000 7000 ≥90
    0.26
    0.38
    0.5
    0.65 ≥91
    0.75
    0.88
    1 850 6000 ≥92
    1.25 700 5000
    1.5 600 4000
    1.75 180 210 230
    2 160 190 210 500 3000
    Regras para códigos de encomenda
    Download do PDF
    Regras para códigos de encomenda
    Mini bomba de engranagem externa, Grupo 0.5
    Mini bomba de engranagem externa, Grupo 0.5
    Mini bomba de engranagem externa, Grupo 0.5
    Mini bomba de engranagem externa, Grupo 0.5
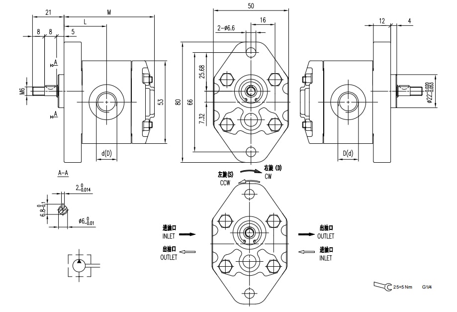
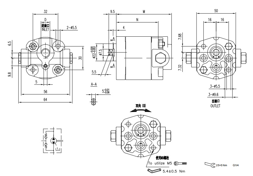
    Dimensões padrão
    Mini bomba de engranagem externa, Grupo 0.5
    Dimensões padrão
    Consulta
    Deslocamento Pressão máxima Velocidade máxima Velocidade mínima Peso Dimensões Código de porta de óleo Saída
    P1 P2 P3 M N
    (cm³/rev.) bar bar bar (r/min) (r/min) Kg mm mm    
    0.19 200 230 250 7000 1000 0.36 60 51 LJ0 G1/4
    0.26 200 230 250 7000 1000 0.364 60.5 51.5 LJ0 G1/4
    0.38 200 230 250 7000 1000 0.372 61.5 52.5 UJ0 G1/4
    0.50 200 230 250 7000 1000 0.38 62.5 53.5 LJ0 G1/4
    0.65 200 230 250 7000 1000 0.40 63.5 54.5 LJ0 G1/4
    0.75 200 230 250 7000 1000 0.408 64.5 55.5 U0 G1/4
    0.88 200 230 250 7000 1000 0.416 65.5 56.5 LJ0 G1/4
    1.00 200 230 250 6000 850 0.42 66.5 57.5 U0 G1/4
    1.25 200 230 250 5000 700 0.436 68.5 59.5 LJ0 G1/4
    1.50 200 230 250 4000 600 0.452 70.5 61.5 LJ0 G1/4
    1.75 180 210 230 4000 600 0.468 72.5 63.5 LJ0 G1/4
    2.00 160 190 210 3000 500 0.484 74.5 65.5 LJ0 G1/4
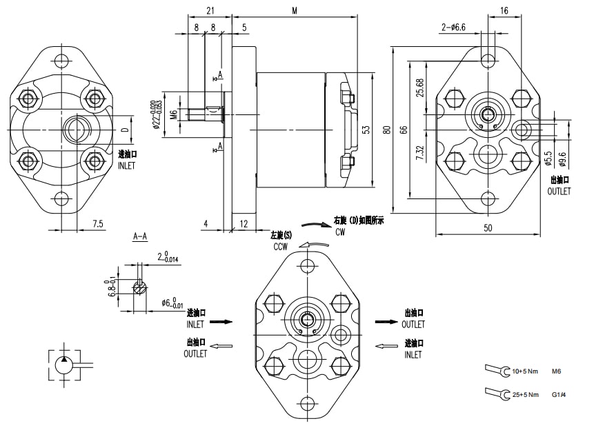
    Mini bomba de engranagem externa, Grupo 0.5
    Dimensões padrão
    Consulta
    Deslocamento Pressão máxima Velocidade máxima Velocidade mínima Peso Dimensões Código de porta de óleo Entrada Saída
    P1 P2 P3 M N L
    (cm³/rev.) bar bar bar (r/mín) (r/mín) Kg mm mm mm   D d
    0.19 200 230 250 7000 1000 0.36 60 51 27.2 L2 G1/4 G1/4
    0.26 200 230 250 7000 1000 0.364 60.5 51.5 27.5 L2 G1/4 G1/4
    0.38 200 230 250 7000 1000 0.372 61.5 52.5 28 L2 G1/4 G1/4
    0.50 200 230 250 7000 1000 0.38 62.5 53.5 28.5 L2 G1/4 G1/4
    0.65 200 230 250 7000 1000 0.40 63.5 54.5 29 L2 G1/4 G1/4
    0.75 200 230 250 7000 1000 0.408 64.5 55.5 29.5 L2 G1/4 G1/4
    0.88 200 230 250 7000 1000 0.416 65.5 56.5 30 L2 G1/4 G1/4
    1.00 200 230 250 6000 850 0.42 66.5 57.5 30.5 L2 G1/4 G1/4
    1.25 200 230 250 5000 700 0.436 68.5 59.5 31.5 L2 G1/4 G1/4
    1.50 200 230 250 4000 600 0.452 70.5 61.5 32.5 L2 G1/4 G1/4
    1.75 180 210 230 4000 600 0.468 72.5 63.5 33.5 L2 G1/4 G1/4
    2.00 160 190 210 3000 500 0.484 74.5 65.5 34.5 L2 G1/4 G1/4
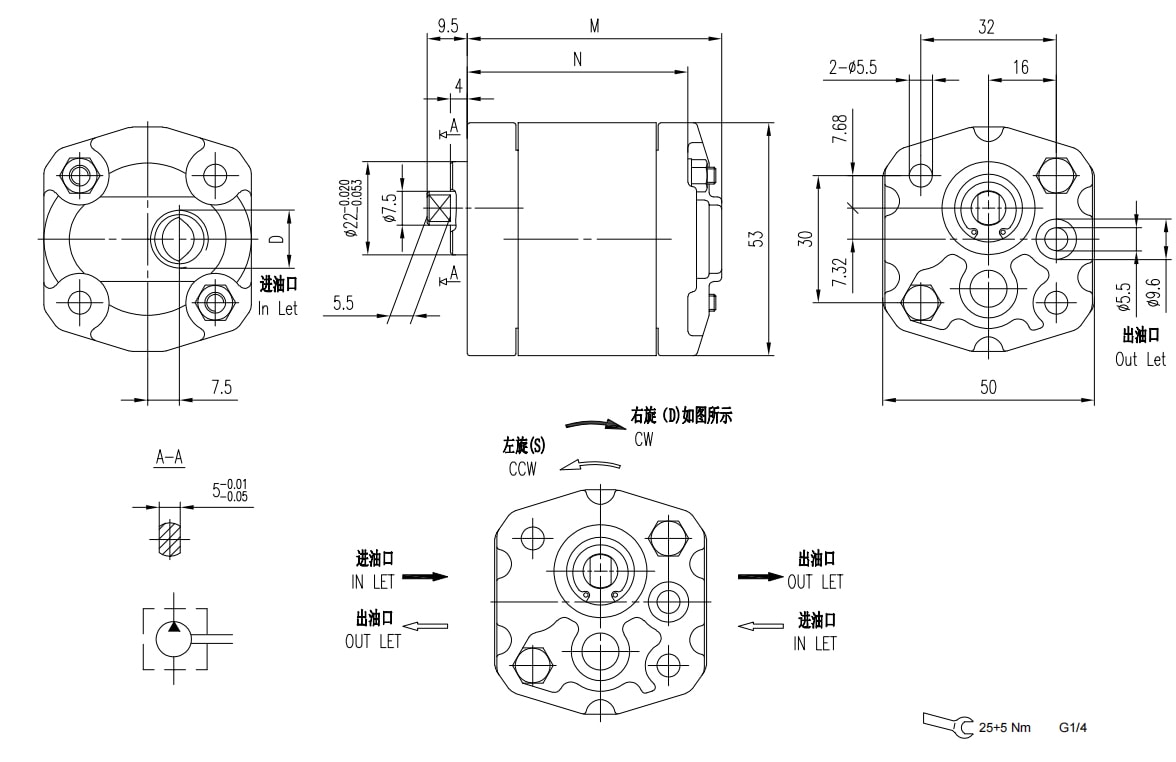
    Mini bomba de engranagem externa, Grupo 0.5
    Dimensões padrão
    Consulta
    Deslocamento Pressão máxima Velocidade máxima Velocidade mínima Peso Dimensões Código de porta de óleo Entrada
    P1 P2 P3 D
    (cm³/rev.) bar bar bar (r/mín) (r/mín) Kg mm    
    0.19 200 230 250 7000 1000 0.395 60 LJ0 G1/4
    0.26 200 230 250 7000 1000 0.4 60.5 LJ0 G1/4
    0.38 200 230 250 7000 1000 0.41 61.5 LJ0 G1/4
    0.5 200 230 250 7000 1000 0.42 62.5 LJ0 G1/4
    0.65 200 230 250 7000 1000 0.43 63.5 LJ0 G1/4
    0.75 200 230 250 7000 1000 0.44 64.5 LJ0 G1/4
    0.88 200 230 250 7000 1000 0.45 65.5 LJ0 G1/4
    1 200 230 250 6000 850 0.46 66.5 LJ0 G1/4
    1.25 200 230 250 5000 700 0.48 68.5 LJ0 G1/4
    1.5 200 230 250 4000 600 0.5 70.5 LJ0 G1/4
    1.75 180 210 230 4000 600 0.51 72.5 LJ0 G1/4
    2 160 190 210 3000 500 0.52 74.5 LJ0 G1/4
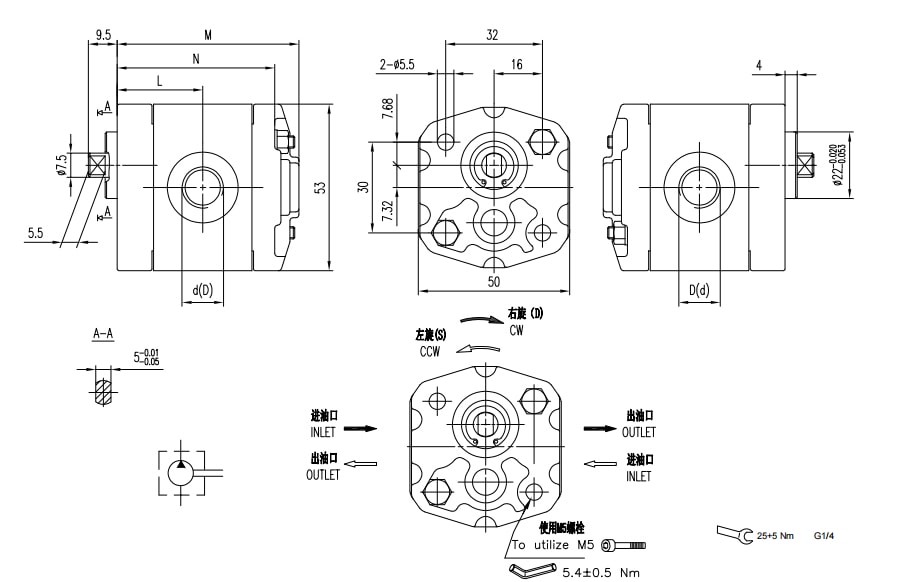
    Mini bomba de engranagem externa, Grupo 0.5
    Consulta
    Deslocamento Pressão máxima Velocidade máxima Velocidade mínima Peso Dimensões Código de porta de óleo Entrada Saída
    P1 P2 P3 M L D d
    (cm³/rev.) bar bar bar (r/mín) (r/mín) Kg mm mm      
    0.19 200 230 250 7000   0.395 60 27.2 L2 G1/4 G1/4
    0.26 200 230 250 7000   0.4 60.5 27.5 L2 G1/4 G1/4
    0.38 200 230 250 7000 1000 0.41 61.5 28 L2 G1/4 G1/4
    0.5 200 230 250 7000 1000 0.42 62.5 28.5 L2 G1/4 G1/4
    0.65 200 230 250 7000 1000 0.43 63.5 29 L2 G1/4 G1/4
    0.75 200 230 250 7000 1000 0.44 64.5 29.5 L2 G1/4 G1/4
    0.88 200 230 250 7000 1000 0.45 65.5 30 L2 G1/4 G1/4
    1 200 230 250 6000 850 0.46 66.5 30.5 L2 G1/4 G1/4
    1.25 200 230 250 5000 700 0.48 68.5 31.5 L2 G1/4 G1/4
    1.5 200 230 250 4000 600 0.5 70.5 32.5 L2 G1/4 G1/4
    1.75 180 210 230 4000 600 0.51 72.5 33.5 L2 G1/4 G1/4
    2 160 190 210 3000 500 0.52 74.5 34.5 L2 G1/4 G1/4
    Mini bomba de engranagem externa, Grupo 0.5
    Dimensões padrão
    Consulta
    Deslocamento Pressão máxima Velocidade máxima Velocidade mínima Peso Dimensões Código de porta de óleo Entrada
    P1 P2 P3 M L D
    (cm³/rev.) bar bar bar (r/mín) (r/mín) Kg mm mm    
    0.19 150 170 190 7000   0.4 68 51 LJ0 G1/4
    0.26 150 170 190 7000 1000 0.41 68.5 51.5 LJ0 G1/4
    0.38 150 170 190 7000 1000 0.42 69.5 52.5 LJ0 G1/4
    0.5 150 170 190 7000 1000 0.43 70.5 53.5 LJ0 G1/4
    0.65 150 170 190 7000 1000 0.44 71.5 54.5 LJ0 G1/4
    0.75 150 170 190 7000 1000 0.45 72.5 55.5 LJ0 G1/4
    0.88 150 170 190 7000 1000 0.46 73.5 56.5 LJ0 G1/4
    1 150 170 190 6000 850 0.47 74.5 57.5 LJ0 G1/4
    1.25 150 170 190 5000 700 0.49 76.5 59.5 LJ0 G1/4
    1.5 150 170 190 4000 600 0.51 78.5 61.5 LJ0 G1/4
    1.75 150 170 190 4000 600 0.52 80.5 63.5 LJ0 G1/4
    2 150 170 190 3000 500 0.53 82.5 65.5 LJ0 G1/4
    • Bomba de engrenagem externa
        Grupo 0.5 (0.19~2cm³/rev.) Grupo 1 (0.8~8cm³/rev.) Grupo 1.2 (0.8~12cm³/rev.) Grupo 1.25 (1.4~13.8cm³/rev.) Grupo 1.3 (1.88~9.68cm³/rev.) Grupo 1.5 (2~12cm³/rev.) Grupo 2 (3~30cm³/rev.) Grupo 2.1D (7~20cm³/rev.) Grupo 2.5D (23~40cm³/rev.) Grupo 2.5 (10~45cm³/rev.) Grupo 2.6 (6~44cm³/rev.) Grupo 3 (20~71cm³/rev.) Grupo 3.5 (21.1~105.4cm³/rev.) Grupo 4 (33.1~98.8cm³/rev.)
    • Bomba de engrenagem múltipla
        Grupo 1 + Grupo 1
        (0.8~13.8cm³/rev.)
        Grupo 1.25 + Grupo 1.25
        (1.4~13.8cm³/rev.)
        Grupo 2 + Grupo 1
        (0.8~30cm³/rev.)
        Grupo 2 + Grupo 2
        (0.8~30cm³/rev.)
        Grupo 2.5 + Grupo 2.5
        (10~45cm³/rev.)
        Grupo 2.6 + Grupo 2
        (3~44cm³/rev.)
        Grupo 2.6 + Grupo 2.6
        (6~44cm³/rev.)
        Grupo 3 + Grupo 1
        (0.8~71cm³/rev.)
        Grupo 3 + Grupo 2
        (3~71cm³/rev.)
        Grupo 3 + Grupo 3
        (3~71cm³/rev.)
        Grupo 3A + Grupo 2.6A
        (10~63cm³/rev.)
    • Divisores de fluxo
        Grupo 1.25 (1.4~230cm³/rev.) Grupo 2 (3~250cm³/rev.)
    • Bombas de alta e baixa pressão
        Grupo 1G/1G (0.8~8cm³/rev.) Grupo 1.3G/1.3G (1~13cm³/rev.) Grupo 2G/2G (3~30cm³/rev.)
    Produtos relacionados
    Mini bomba de engrenagem externa, Grupo 1 Mini bomba de engrenagem externa, Grupo 1
    Mini bomba de engrenagem externa, Grupo 1.2 Mini bomba de engrenagem externa, Grupo 1.2
    Mini bomba de engrenagem externa, Grupo 1.25 Mini bomba de engrenagem externa, Grupo 1.25
    Mini bomba de engrenagem externa, Grupo 1.3 Mini bomba de engrenagem externa, Grupo 1.3
    Mini bomba de engrenagem externa, Grupo 1.5 Mini bomba de engrenagem externa, Grupo 1.5
    Bomba de engrenagem externa, Grupo 2 Bomba de engrenagem externa, Grupo 2
    Bomba de engrenagem externa, Grupo 2.1D Bomba de engrenagem externa, Grupo 2.1D
    Bomba de engrenagem externa, Grupo 2.5D Bomba de engrenagem externa, Grupo 2.5D
    Bomba de engrenagem externa, Grupo 2.5 Bomba de engrenagem externa, Grupo 2.5
    Bomba de engrenagem externa, Grupo 2.6 Bomba de engrenagem externa, Grupo 2.6
    Bomba de engrenagem externa, Grupo 3 Bomba de engrenagem externa, Grupo 3
    Bomba de engrenagem externa, Grupo 3.5 Bomba de engrenagem externa, Grupo 3.5
    Mini bomba de engrenagem externa, Grupo 4 Mini bomba de engrenagem externa, Grupo 4
    Entre em contato

    Entraremos em contato com você o mais rápido possível.

    • +86-513-83601666
    • +86-18951331823
    • sales@boden-hyd.com
    Outros Produtos
    • Bomba de engrenagem múltipla
      Bomba de engrenagem múltipla Mais
    • Divisores de fluxo
      Divisores de fluxo Mais
    • gh-Low Pumps
      Bombas de alta e baixa pressão Mais
    Produtos
    • Bomba de engrenagem externa
    • Bomba de engrenagem múltipla
    • Divisores de fluxo
    • Bombas de alta e baixa pressão
    Aplicações
    • Equipamentos de manuseio de materiais
    • Maquinário de construção
    • Maquinário agrícola
    • Turbinas eólicas
    • Plataformas aéreas de trabalho
    • Veículos elétricos
    Sobre nós
    • Sobre a empresa
    • História
    • Tour da fábrica
    Contato

    Slyvia Shen
    sales@boden-hyd.com
    +86-513-83601666
    +86-18951331823
    +86-18951331823