Boden Hydraulics Co. Ltd. Dedicada ao projeto, fabricação e venda de componentes hidráulicos
  • 
  • Início
  • Produtos+
    • Costumização
    • Aplicações+
      • Equipamentos de manuseio de materiais
      • Maquinário de construção
      • Maquinário agrícola
      • Turbinas eólicas
      • Plataformas aéreas de trabalho
      • Veículos elétricos
    • Sobre nós+
      • Sobre a empresa
      • História
      • Tour da fábrica
    • Serviços
    • Vídeos
    • Contato
    • Download Do Catálogo

    Bombas de alta e baixa pressão

    • Início
    • Produtos
    • Bombas de alta e baixa pressão
    • Bombas de alta e baixa pressão, Grupo 1.3G/1.3G

    Bombas de alta e baixa pressão, Grupo 1.3G/1.3G (1~13cm³/rev.)

    Bombas de alta e baixa pressão, Grupo 1.3G/1.3G
    Informações técnicas
    • Deslocamento: 1~13cm³/rev.
    • Sentido de rotação: sentido horário (D), anti-horário (S)
    • Velocidade mínima: 500r/mín
    • Velocidade máxima: 3600r/mín
    • Pressão máxima: 250bar
    Solicite um orçamento
    • Parâmetros técnico
    • Regras para códigos de encomenda
    • Dimensões padrão
    Parâmetros técnicos
    Deslocamento Deslocamento Pressão de transbordamento Pressão contínua máxima Pressão intermitente máxima Pressão de pico máxima Velocidade mínima Velocidade máxima Eficiência volumétrica
    V V P P1 P2 P3 nmín nmáx ηv
    cm³/rev. cm³/rev. bar r/mín %
    2.1 1 40...45 210 230 250 500 3600 ≥93
    4.2 1
    4.2 1.6
    6.3 2.1
    6.3 3
    6.3 3.6
    8.8 1.6
    8.8 2.1
    8.8 3.6
    10.9 2.1
    10.9 3.6
    10.9 4.2
    13 3.2
    13 4.2
    Bombas de alta e baixa pressão, Grupo 1.3G/1.3G (1~13cm³/rev.)
    Download do PDF
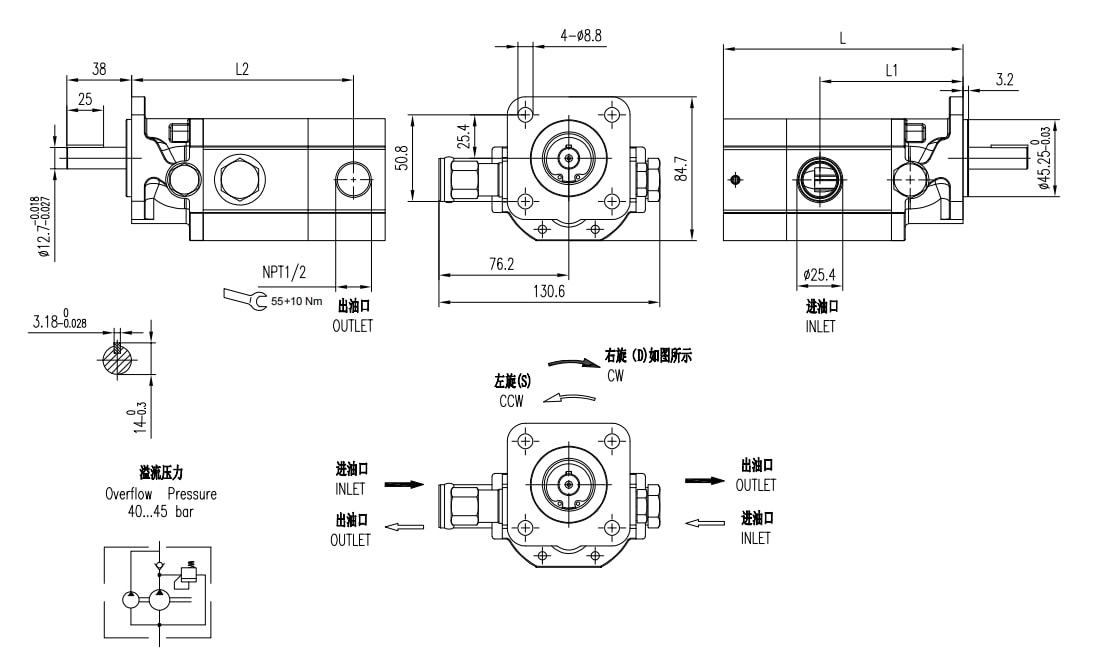
    Dimensões padrão do produto com bomba alta-baixa pressão 1.3 G/1.3 G
    Bombas de alta e baixa pressão, Grupo 1.3G/1.3G
    Bombas de alta e baixa pressão, Grupo 1.3G/1.3G
    Consulta
    Deslocamento Pressão máxima Pressão contínua máxima Velocidade máxima Velocidade mínima Peso Dimensões Código da porta de óleo Entrada Saída
    Alto Baixo P1 P2 P3 P       C C1 C2 D d D d
    (m³/rev) (m³/rev) bar bar bar bar (r/min) (r/min) Kg mm mm mm     mm  
    2.1 1 210 230 250 40.45 3600 500 1.45 157.8 64.2 100.2 PJ0 NC2 Ø25.4 NPT1/2
    4.2 1 210 230 250 3600 500 1.6 157.8 64.2 100.2 PJ0 NC2 Ø25.4 NPT1/2
    4.2 1.6 210 230 250 3600 500 1.68 159.8 64.2 102.2 PJ0 NC2 Ø25.4 PT1/2
    6.3 2.1 210 230 250 3600 500 1.9 154.2 61.2 95.2 PJ0 NC2 Ø25.4 NPT1/2
    6.3 3 210 230 250 3600 500 1.98 157.8 61.2 95.2 PJ0 NC2 Ø25.4 NPT1/2
    6.3 3.6 210 230 250 3600 500 2 159.5 61.2 99.2 PJ0 NC2 Ø25.4 NPT1/2
    8.8 1.6 210 230 250 3600 500 2.1 162 69.6 103.6 PJ0 NC2 Ø25.4 NPT1/2
    8.8 2.1 210 230 250 3600 500 2.15 162.7 69.6 103.6 PJ0 NC2 Ø25.4 NPT1/2
    8.8 3.6 210 230 250 3600 500 2.25 167.9 69.6 107.6 PJ0 NC2 Ø25.4 NPT1/2
    10.9 2.1 210 230 250 3600 500 2.4 170.2 77.1 111.1 PJ0 NC2 Ø25.4 NPT1/2
    10.9 3.6 210 230 250 3600 500 2.5 175.4 77.1 115.1 PJ0 NC2 Ø25.4 NPT1/2
    10.9 4.2 210 230 250 3600 500 2.55 177.7 77.1 115.1 PJ0 NC2 Ø25.4 NPT1/2
    13 3.2 210 230 250 3600 500 2.98 180.7 84.1 122.1 PJ0 NC2 Ø25.4 NPT1/2
    13 4.2 210 230 250 3600 500 3.04 184.7 84.1 122.1 PJ0 NC2 Ø25.4 NPT1/2
    • Bomba de engrenagem externa
        Grupo 0.5 (0.19~2cm³/rev.) Grupo 1 (0.8~8cm³/rev.) Grupo 1.2 (0.8~12cm³/rev.) Grupo 1.25 (1.4~13.8cm³/rev.) Grupo 1.3 (1.88~9.68cm³/rev.) Grupo 1.5 (2~12cm³/rev.) Grupo 2 (3~30cm³/rev.) Grupo 2.1D (7~20cm³/rev.) Grupo 2.5D (23~40cm³/rev.) Grupo 2.5 (10~45cm³/rev.) Grupo 2.6 (6~44cm³/rev.) Grupo 3 (20~71cm³/rev.) Grupo 3.5 (21.1~105.4cm³/rev.) Grupo 4 (33.1~98.8cm³/rev.)
    • Bomba de engrenagem múltipla
        Grupo 1 + Grupo 1
        (0.8~13.8cm³/rev.)
        Grupo 1.25 + Grupo 1.25
        (1.4~13.8cm³/rev.)
        Grupo 2 + Grupo 1
        (0.8~30cm³/rev.)
        Grupo 2 + Grupo 2
        (0.8~30cm³/rev.)
        Grupo 2.5 + Grupo 2.5
        (10~45cm³/rev.)
        Grupo 2.6 + Grupo 2
        (3~44cm³/rev.)
        Grupo 2.6 + Grupo 2.6
        (6~44cm³/rev.)
        Grupo 3 + Grupo 1
        (0.8~71cm³/rev.)
        Grupo 3 + Grupo 2
        (3~71cm³/rev.)
        Grupo 3 + Grupo 3
        (3~71cm³/rev.)
        Grupo 3A + Grupo 2.6A
        (10~63cm³/rev.)
    • Divisores de fluxo
        Grupo 1.25 (1.4~230cm³/rev.) Grupo 2 (3~250cm³/rev.)
    • Bombas de alta e baixa pressão
        Grupo 1G/1G (0.8~8cm³/rev.) Grupo 1.3G/1.3G (1~13cm³/rev.) Grupo 2G/2G (3~30cm³/rev.)
    Entre em contato

    Entraremos em contato com você o mais rápido possível.

    • +86-513-83601666
    • +86-18951331823
    • sales@boden-hyd.com
    Outros Produtos
    • Bomba de engrenagem externa
      Bomba de engrenagem externa Mais
    • Bomba de engrenagem múltipla
      Bomba de engrenagem múltipla Mais
    • Divisores de fluxo
      Divisores de fluxo Mais
    Produtos
    • Bomba de engrenagem externa
    • Bomba de engrenagem múltipla
    • Divisores de fluxo
    • Bombas de alta e baixa pressão
    Aplicações
    • Equipamentos de manuseio de materiais
    • Maquinário de construção
    • Maquinário agrícola
    • Turbinas eólicas
    • Plataformas aéreas de trabalho
    • Veículos elétricos
    Sobre nós
    • Sobre a empresa
    • História
    • Tour da fábrica
    Contato

    Slyvia Shen
    sales@boden-hyd.com
    +86-513-83601666
    +86-18951331823
    +86-18951331823