Parâmetros técnicos
                                              
                                                      | Deslocamento |  Pressão absoluta de sucção |  Pressão contínua máxima |  Pressão intermitente máxima |  Pressão máxima de pico |  Velocidade mínima |  Velocidade máxima |  Eficiência volumétrica |  
  |  V  |   Pe  |   P1  |   P2  |   P3  |   nmín  |   nmáx  |   ηv  |  
  |  cm³/rev  |   bar  |   r/mín  |   %  |  
  |  3  |   0.7...3  |   270  |   285  |   300  |   800  |   4000  |   ≥91  |  
  |  4  |   600  |  
  |  6  |  
  |  8  |   500  |   3500  |  
  |  10  |   ≥92  |  
  |  12  |  
  |  14  |   250  |   265  |   280  |   3200  |  
  |  16  |  
  |  18  |   400  |   ≥93  |  
  |  20  |   220  |   235  |   250  |  
  |  22  |   3000  |  
  |  25  |   200  |   215  |   230  |   ≥95  |  
  |  28  |   180  |   190  |   200  |   2500  |  
  |  30  |   160  |   170  |   180  |  
 
                                                
                                           
                                          
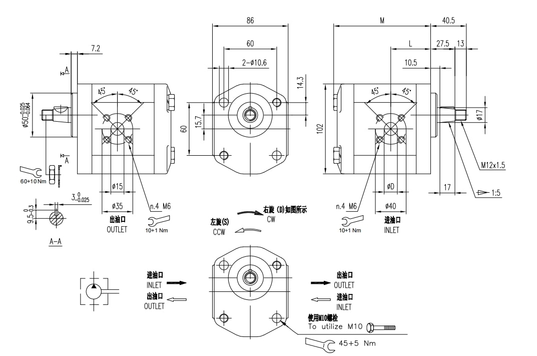
                                              Regras para o código de pedido
                                              
                                           
                                          
                                              Regras para o código de pedido
                                              
                                                
                                                  
                                                  
                                                    
                                                        
                                                            
                                                            Consulta
                                                            
                                                            
                                                                    |  Deslocamento |   Pressão máxima	 |   Velocidade máxima |  Velocidade mínima |   Peso | 	  Dimensões |   Código de porta de óleo	  |   Entrada |   Saída |  
  |  P1  |   P2  |   P3  |   M  |   L  |    |   D  |   d  |  
 |  (cm³/rev.)  |   bar  |   bar  |   bar  |   (r/mín)  |   (r/mín)  |   Kg  |   mm  |   mm  |    |    |    |  
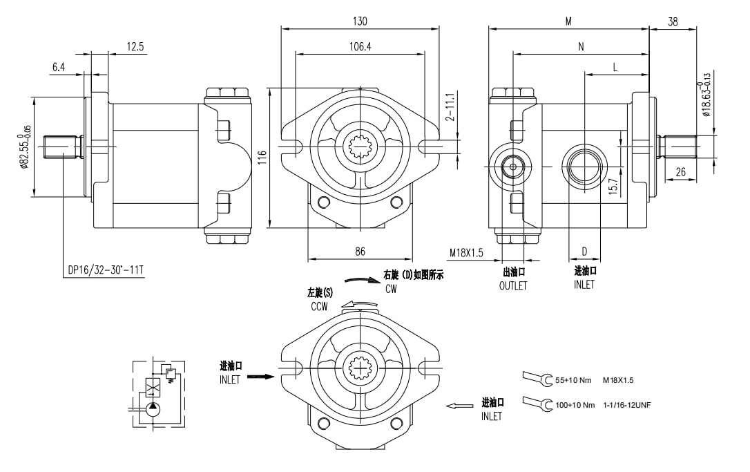
  |  3  |   270  |   285  |   300  |   4000  |   800  |   3.35  |   91.1  |   43.6  |   U0  |   1/16-12UNF  |   7/8-14UNF  |  
  |  4  |   270  |   285  |   300  |   4000  |   600  |   3.4  |   92.7  |   44.4  |   U0  |   1/16-12UNF  |   7/8-14UNF  |  
  |  6  |   270  |   285  |   300  |   4000  |   600  |   3.5  |   96  |   46  |   U0  |   1/16-12UN F  |   7/8-14UNF  |  
  |  8  |   270  |   285  |   300  |   3500  |   500  |   3.6  |   99.3  |   47.7  |   U0  |   1/16-12UNF  |   7/8-14UNF  |  
  |  10  |   270  |   285  |   300  |   3500  |   500  |   3.7  |   102.6  |   49.3  |   U0  |   1/16-12UNF  |   7/8-14UNF  |  
  |  12  |   270  |   285  |   300  |   3500  |   500  |   3.8  |   105.9  |   51  |   U0  |   1/16-12UNF  |   7/8-14UNF  |  
  |  14  |   250  |   265  |   280  |   3500  |   500  |   3.9  |   109.3  |   52.7  |   U0  |   1/16-12UNF  |   7/8-14UNF  |  
  |  16  |   250  |   265  |   280  |   3500  |   500  |   4  |   112.7  |   54.4  |   U0  |   1/16-12UNF  |   7/8-14UNF  |  
  |  18  |   250  |   265  |   280  |   3200  |   400  |   4.1  |   116  |   56  |   U0  |   11/16-12UNF  |   7/8-14UNF  |  
  |  20  |   220  |   235  |   250  |   3200  |   400  |   4.2  |   119.3  |   57.7  |   U0  |   1/16-12UNF  |   7/8-14UNF  |  
  |  22  |   220  |   235  |   250  |   3000  |   400  |   4.3  |   122.6  |   59.3  |   U0  |   1 1/16-12UNF  |   7/8-14UNF  |  
  |  25  |   200  |   215  |   230  |   3000  |   400  |   4.45  |   127.6  |   61.8  |   U0  |   1/16-12UNF  |   7/8-14UNF  |  
  |  28  |   180  |   190  |   200  |   2500  |   400  |   4.6  |   132.6  |   64.3  |   U0  |   1 1/16-12UNF  |   7/8-14UNF  |  
  |  30  |   160  |   170  |   180  |   2500  |   400  |   4.7  |   135.9  |   66  |   U1  |   5/16-12UNF  |   7/8-14UNF  |   
 
                                                              
                                                         
                                                     
                                                   
                                                 
                                                
                                                  
                                                  
                                                    
                                                        
                                                            
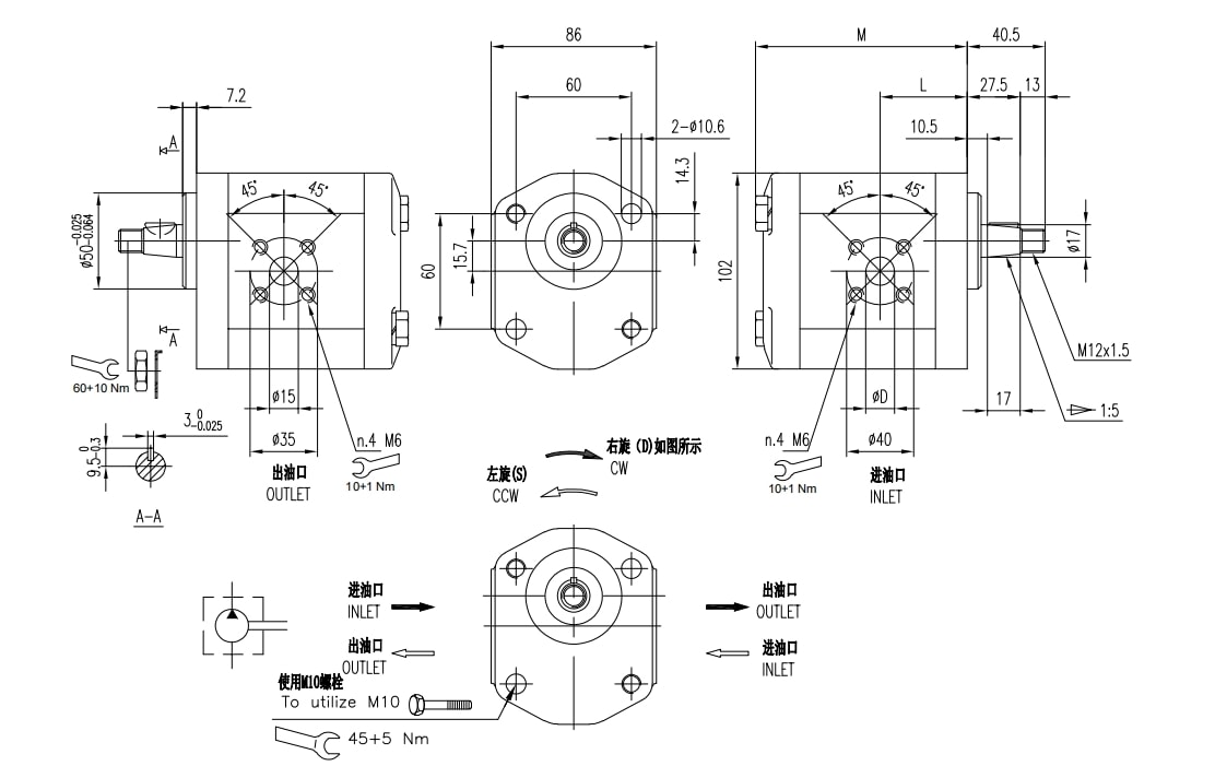
                                                            Consulta
                                                            
                                                            
                                                                  |  Deslocamento |   Pressão máxima	 |   Velocidade máxima |  Velocidade mínima |   Peso | 	  Dimensões |   Código de porta de óleo	  |   Entrada |   Saída |  
  |  P1  |   P2  |   P3  |   B  |   D  |   H  |   b  |   d  |   h  |  
  |  (cm³/rev.)  |   bar  |   bar  |   bar  |   (r/mín)  |   (r/mín)  |   Kg  |   mm  |    |   mm  |   mm  |    |   mm  |   mm  |    |  
  |  3  |   270  |   285  |   300  |   4000  |   800  |   3.35  |   91.1  |   43.6  |   E0  |   30  |   13  |   M6  |   30  |   13  |   M6  |  
  |  4  |   270  |   285  |   300  |   4000  |   600  |   3.4  |   92.7  |   44.4  |   E0  |   30  |   13  |   M6  |   30  |   13  |   M6  |  
  |  6  |   270  |   285  |   300  |   4000  |   600  |   3.5  |   96  |   46  |   E0  |   30  |   13  |   M6  |   30  |   13  |   M6  |  
  |  8  |   270  |   285  |   300  |   3500  |   500  |   3.6  |   99.3  |   47.7  |   E0  |   30  |   13  |   M6  |   30  |   13  |   M6  |  
  |  10  |   270  |   285  |   300  |   3500  |   500  |   3.7  |   2.6  |   49.3  |   E1  |   40  |   20  |   M8  |   30  |   13  |   M6  |  
  |  12  |   270  |   285  |   300  |   3500  |   500  |   3.8  |   105.9  |   51  |   E1  |   40  |   20  |   M8  |   30  |   13  |   M6  |  
  |  14  |   250  |   265  |   280  |   3500  |   500  |   3.9  |   9.3  |   52.7  |   E1  |   40  |   20  |   M8  |   30  |   13  |   M6  |  
  |  16  |   250  |   265  |   280  |   3500  |   500  |   4  |   12.7  |   54.4  |   E1  |   40  |   20  |   M8  |   30  |   13  |   M6  |  
  |  18  |   250  |   265  |   280  |   3200  |   400  |   4.1  |   116  |   56  |   E1  |   40  |   20  |   M8  |   30  |   13  |   M6  |  
  |  20  |   220  |   235  |   250  |   3200  |   400  |   4.2  |   19.3  |   57.7  |   E1  |   40  |   20  |   M8  |   30  |   13  |   M6  |  
  |  22  |   220  |   235  |   250  |   3000  |   400  |   4.3  |   122.6  |   59.3  |   E1  |   40  |   20  |   M8  |   30  |   13  |   M6  |  
  |  25  |   200  |   215  |   230  |   3000  |   400  |   4.45  |   127.6  |   61.8  |   E2  |   40  |   22  |   M8  |   30  |   13  |   M6  |  
  |  28  |   180  |   190  |   200  |   2500  |   400  |   4.6  |   132.6  |   64.3  |   E2  |   40  |   22  |   M8  |   30  |   13  |   M6  |  
  |  30  |   160  |   170  |   180  |   2500  |   400  |   4.7  |   135.9  |   66  |   E2  |   40  |   22  |   M8  |   30  |   13  |   M6  |    
 
                                                              
                                                         
                                                     
                                                   
                                                 
                                                
                                                  
                                                  
                                                    
                                                        
                                                            
                                                            Consulta
                                                            
                                                            
                                                                 |  Deslocamento |   Pressão máxima	 |   Velocidade máxima |  Velocidade mínima |   Peso | 	  Dimensões |   Código de porta de óleo	  |   Entrada |   Saída |  
  |  P1  |   P2  |   P3  |   M  |   L  |   D  |   d  |  
 |  (cm³/rev.)  |   bar  |   bar  |   bar  |   (r/mín)  |   (r/mín)  |   Kg  |   mm  |   mm  |    |    |    |  
  |  3  |   270  |   285  |   300  |   4000  |   800  |   3.35  |   91.1  |   43.6  |   Z0  |   M14X1.5  |   M14X1.5  |  
  |  4  |   270  |   285  |   300  |   4000  |   600  |   3.4  |   92.7  |   44.4  |   Z0  |   M14X1.5  |   M14X1.5  |  
  |  6  |   270  |   285  |   300  |   4000  |   600  |   3.5  |   96  |   46  |   Z1  |   M20X1.5  |   M18X1.5  |  
  |  8  |   270  |   285  |   300  |   3500  |   500  |   3.6  |   99.3  |   47.7  |   Z1  |   M20X1.5  |   M18X1.5  |  
  |  10  |   270  |   285  |   300  |   3500  |   500  |   3.7  |   102.6  |   49.3  |   Z1  |   M20X1.5  |   M18X1.5  |  
  |  12  |   270  |   285  |   300  |   3500  |   500  |   3.8  |   105.9  |   51  |   Z1  |   M20X1.5  |   M18X1.5  |  
  |  14  |   250  |   265  |   280  |   3500  |   500  |   3.9  |   109.3  |   52.7  |   Z1  |   M20X1.5  |   M18X1.5  |  
  |  16  |   250  |   265  |   280  |   3500  |   500  |   4  |   112.7  |   54.4  |   Z1  |   M20X1.5  |   M18X1.5  |  
  |  18  |   250  |   265  |   280  |   3200  |   400  |   4.1  |   116  |   56  |   Z1  |   M20X1.5  |   M18X1.5  |  
  |  20  |   220  |   235  |   250  |   3200  |   400  |   4.2  |   119.3  |   57.7  |   Z3  |   M24X1.5  |   M22X1.5  |  
  |  22  |   220  |   235  |   250  |   3000  |   400  |   4.3  |   122.6  |   59.3  |   Z3  |   M24X1.5  |   M22X1.5  |  
  |  25  |   200  |   215  |   230  |   3000  |   400  |   4.45  |   127.6  |   61.8  |   Z3  |   M24X1.5  |   M22X1.5  |  
  |  28  |   180  |   190  |   200  |   2500  |   400  |   4.6  |   132.6  |   64.3  |   Z3  |   M24X1.5  |   M22X1.5  |  
  |  30  |   160  |   170  |   180  |   2500  |   400  |   4.7  |   135.9  |   66  |   Z3  |   M24X1.5  |   M22X1.5  |   
 
                                                              
                                                         
                                                     
                                                   
                                                 
                                                
                                                  
                                                  
                                                    
                                                        
                                                            
                                                            Consulta
                                                            
                                                            
                                                                 |  Deslocamento |   Pressão máxima	 |   Velocidade máxima |  Velocidade mínima |   Peso | 	  Dimensões |   Código de porta de óleo	  |   Entrada |  
  |  P1  |   P2  |   P3  |   M  |   L  |   D  |  
  |  (cm³/rev.)  |   bar  |   bar  |   bar  |   (r/mín)  |   (r/mín)  |   Kg  |   mm  |   mm  |    |   mm  |  
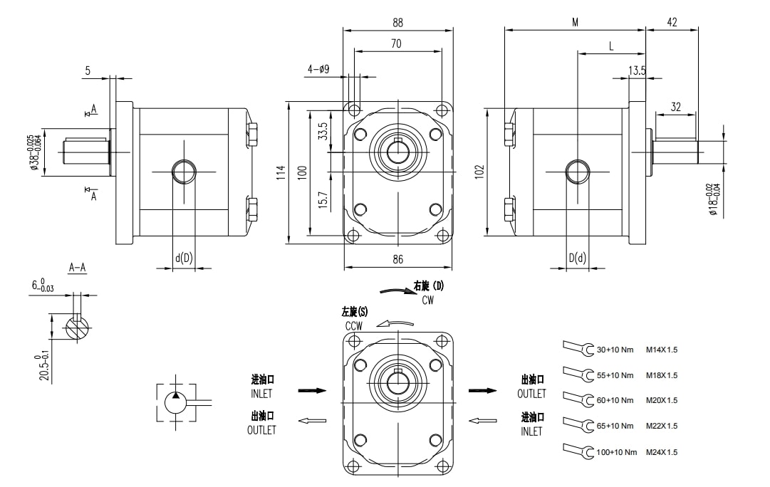
  |  3  |   270  |   285  |   300  |   4000  |   800  |   3.35  |   91.1  |   39.9  |   F0  |   15  |  
  |  4  |   270  |   285  |   300  |   4000  |   600  |   3.4  |   92.7  |   39.9  |   F0  |   15  |  
  |  6  |   270  |   285  |   300  |   4000  |   600  |   3.5  |   96  |   41.1  |   F0  |   15  |  
  |  8  |   270  |   285  |   300  |   3500  |   500  |   3.6  |   99.3  |   43.2  |   F0  |   15  |  
  |  10  |   270  |   285  |   300  |   3500  |   500  |   3.7  |   102.6  |   43.7  |   F1  |   20  |  
  |  12  |   270  |   285  |   300  |   3500  |   500  |   3.8  |   105.9  |   47.5  |   F1  |   20  |  
  |  14  |   250  |   265  |   280  |   3500  |   500  |   3.9  |   109.3  |   47.5  |   F1  |   20  |  
  |  16  |   250  |   265  |   280  |   3500  |   500  |   4  |   112.7  |   47.5  |   F1  |   20  |  
  |  18  |   250  |   265  |   280  |   3200  |   400  |   4.1  |   116  |   47.5  |   F1  |   20  |  
  |  20  |   220  |   235  |   250  |   3200  |   400  |   4.2  |   119.3  |   47.5  |   F1  |   20  |  
  |  22  |   220  |   235  |   250  |   3000  |   400  |   4.3  |   122.6  |   55.1  |   F1  |   20  |  
  |  25  |   200  |   215  |   230  |   3000  |   400  |   4.45  |   127.6  |   61.8  |   F1  |   20  |  
  |  28  |   180  |   190  |   200  |   2500  |   400  |   4.6  |   132.6  |   64.3  |   F1  |   20  |  
  |  30  |   160  |   170  |   180  |   2500  |   400  |   4.7  |   135.9  |   66  |   F1  |   20  |   
 
                                                              
                                                         
                                                     
                                                   
                                                 
                                                
                                                  
                                                  
                                                    
                                                        
                                                            
                                                            Consulta
                                                            
                                                            
                                                                   |  Deslocamento |   Pressão máxima	 |   Velocidade máxima |  Velocidade mínima |   Peso | 	  Dimensões |   Código de porta de óleo	  |   Entrada |  
 |  P1  |   P2  |   P3  |   M  |   L  |   D  |  
 |  (cm³/rev.)  |   bar  |   bar  |   bar  |   (r/mín)  |   (r/mín)  |   Kg  |   mm  |   mm  |    |   mm  |  
  |  3  |   270  |   285  |   300  |   4000  |   800  |   3.35  |   88.6  |   37.4  |   F0  |   15  |  
  |  4  |   270  |   285  |   300  |   4000  |   600  |   3.4  |   90.2  |   37.4  |   F0  |   15  |  
  |  6  |   270  |   285  |   300  |   4000  |   600  |   3.5  |   93.5  |   38.6  |   F0  |   15  |  
  |  8  |   270  |   285  |   300  |   3500  |   500  |   3.6  |   96.8  |   40.7  |   F0  |   15  |  
  |  10  |   270  |   285  |   300  |   3500  |   500  |   3.7  |   100.1  |   41.2  |   F1  |   20  |  
  |  12  |   270  |   285  |   300  |   3500  |   500  |   3.8  |   103.4  |   45  |   F1  |   20  |  
  |  14  |   250  |   265  |   280  |   3500  |   500  |   3.9  |   106.8  |   45  |   F1  |   20  |  
  |  16  |   250  |   265  |   280  |   3500  |   500  |   4  |   110.2  |   45  |   F1  |   20  |  
  |  18  |   250  |   265  |   280  |   3200  |   400  |   4.1  |   113.5  |   45  |   F1  |   20  |  
  |  20  |   220  |   235  |   250  |   3200  |   400  |   4.2  |   116.8  |   45  |   F1  |   20  |  
  |  22  |   220  |   235  |   250  |   3000  |   400  |   4.3  |   120.1  |   52.6  |   F1  |   20  |   
 
                                                              
                                                         
                                                     
                                                   
                                                 
                                                
                                                  
                                                  
                                                    
                                                        
                                                            
                                                            Consulta
                                                            
                                                            
                                                                  |  Deslocamento |   Pressão máxima	 |   Velocidade máxima |  Velocidade mínima |   Peso | 	  Dimensões |   Código de porta de óleo	  |   Entrada |  
 |  P1  |   P2  |   P3  |   M  |   L  |   D  |  
 |  (cm³/rev.)  |   bar  |   bar  |   bar  |   (r/mín)  |   (r/mín)  |   Kg  |   mm  |   mm  |    |   mm  |  
  |  3  |   270  |   285  |   300  |   4000  |   800  |   3.35  |   88.6  |   37.4  |   F0  |   15  |  
  |  4  |   270  |   285  |   300  |   4000  |   600  |   3.4  |   90.2  |   37.4  |   F0  |   15  |  
  |  6  |   270  |   285  |   300  |   4000  |   600  |   3.5  |   93.5  |   38.6  |   F0  |   15  |  
  |  8  |   270  |   285  |   300  |   3500  |   500  |   3.6  |   96.8  |   40.7  |   F0  |   15  |  
  |  10  |   270  |   285  |   300  |   3500  |   500  |   3.7  |   100.1  |   41.2  |   F1  |   20  |  
  |  12  |   270  |   285  |   300  |   3500  |   500  |   3.8  |   103.4  |   45  |   F1  |   20  |  
  |  14  |   250  |   265  |   280  |   3500  |   500  |   3.9  |   106.8  |   45  |   F1  |   20  |  
  |  16  |   250  |   265  |   280  |   3500  |   500  |   4  |   110.2  |   45  |   F1  |   20  |  
  |  18  |   250  |   265  |   280  |   3200  |   400  |   4.1  |   113.5  |   45  |   F1  |   20  |  
  |  20  |   220  |   235  |   250  |   3200  |   400  |   4.2  |   116.8  |   45  |   F1  |   20  |  
  |  22  |   220  |   235  |   250  |   3000  |   400  |   4.3  |   120.1  |   52.6  |   F1  |   20  |  
  |  25  |   200  |   215  |   230  |   3000  |   400  |   4.45  |   125.1  |   59.3  |   F1  |   20  |  
  |  28  |   180  |   190  |   200  |   2500  |   400  |   4.6  |   130.1  |   61.8  |   F1  |   20  |  
  |  30  |   160  |   170  |   180  |   2500  |   400  |   4.7  |   133.4  |   63.5  |   F1  |   20  | 
 
                                                              
                                                         
                                                     
                                                   
                                                 
                                                
                                                  
                                                  
                                                    
                                                        
                                                            
                                                            Consulta
                                                            
                                                            
                                                                  |  Deslocamento |   Pressão máxima	 |   Velocidade máxima |  Velocidade mínima |   Peso | 	  Dimensões |   Código de porta de óleo	  |   Entrada |  
 |  P1  |   P2  |   P3  |   M  |   L  |   D  |  
 |  (cm³/rev.)  |   bar  |   bar  |   bar  |   (r/mín)  |   (r/mín)  |   Kg  |   mm  |   mm  |    |   mm  |  
  |  3  |   270  |   285  |   300  |   4000  |   800  |   3.35  |   88.6  |   37.4  |   F0  |   15  |  
  |  4  |   270  |   285  |   300  |   4000  |   600  |   3.4  |   90.2  |   37.4  |   F0  |   15  |  
  |  6  |   270  |   285  |   300  |   4000  |   600  |   3.5  |   93.5  |   38.6  |   F0  |   15  |  
  |  8  |   270  |   285  |   300  |   3500  |   500  |   3.6  |   96.8  |   40.7  |   F0  |   15  |  
  |  10  |   270  |   285  |   300  |   3500  |   500  |   3.7  |   100.1  |   41.2  |   F1  |   20  |  
  |  12  |   270  |   285  |   300  |   3500  |   500  |   3.8  |   103.4  |   45  |   F1  |   20  |  
  |  14  |   250  |   265  |   280  |   3500  |   500  |   3.9  |   106.8  |   45  |   F1  |   20  |  
  |  16  |   250  |   265  |   280  |   3500  |   500  |   4  |   110.2  |   45  |   F1  |   20  |  
  |  18  |   250  |   265  |   280  |   3200  |   400  |   4.1  |   113.5  |   45  |   F1  |   20  |  
  |  20  |   220  |   235  |   250  |   3200  |   400  |   4.2  |   116.8  |   45  |   F1  |   20  |  
  |  22  |   220  |   235  |   250  |   3000  |   400  |   4.3  |   120.1  |   52.6  |   F1  |   20  |  
  |  25  |   200  |   215  |   230  |   3000  |   400  |   4.45  |   125.1  |   59.3  |   F1  |   20  |  
  |  28  |   180  |   190  |   200  |   2500  |   400  |   4.6  |   130.1  |   61.8  |   F1  |   20  |  
  |  30  |   160  |   170  |   180  |   2500  |   400  |   4.7  |   133.4  |   63.5  |   F1  |   20  |  
 
                                                              
                                                         
                                                     
                                                   
                                                 
                                                
                                                  
                                                  
                                                    
                                                        
                                                            
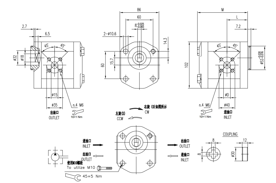
                                                            Consulta
                                                            
                                                            
                                                                   |  Deslocamento |   Pressão máxima	 |   Velocidade máxima |  Velocidade mínima |   Peso | 	  Dimensões |   Código de porta de óleo	  |   Entrada |   Saída |  
  |  P1  |   P2  |   P3  |   M  |   D  |   d  |  
   |  (cm³/rev.)  |   bar  |   bar  |   bar  |   (r/mín)  |   (r/mín)  |   Kg  |   mm  |    |    |    |  
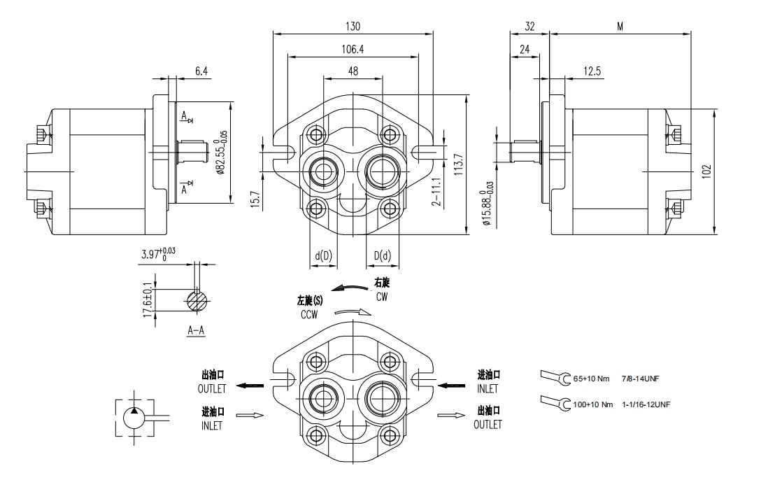
 |  3  |   270  |   285  |   300  |   4000  |   800  |   3.4  |   103.1  |   U0  |   1/16-12UNF  |   7/8-14UNF  |  
  |  4  |   270  |   285  |   300  |   4000  |   600  |   3.45  |   104.7  |   U0  |   1/16-12UNF  |   7/8-14UNF  |  
  |  6  |   270  |   285  |   300  |   4000  |   600  |   3.55  |   108  |   U0  |   1/16-12UNF  |   7/8-14UNF  |  
  |  8  |   270  |   285  |   300  |   3500  |   500  |   3.65  |   111.3  |   U0  |   1/16-12UNF  |   7/8-14UNF  |  
  |  10  |   270  |   285  |   300  |   3500  |   500  |   3.75  |   114.6  |   U0  |   1/16-12UNF  |   7/8-14UNF  |  
  |  12  |   270  |   285  |   300  |   3500  |   500  |   3.85  |   117.9  |   U0  |   1/16-12UNF  |   7/8-14UNF  |  
  |  14  |   250  |   265  |   280  |   3500  |   500  |   3.95  |   121.3  |   U0  |   1/16-12UNF  |   7/8-14UNF  |  
  |  16  |   250  |   265  |   280  |   3500  |   500  |   4.05  |   124.7  |   U0  |   1/16-12UNF  |   7/8-14UNF  |  
  |  18  |   250  |   265  |   280  |   3200  |   400  |   4.15  |   128  |   U0  |   1/16-12UNF  |   7/8-14UNF  |  
  |  20  |   220  |   235  |   250  |   3200  |   400  |   4.25  |   131.3  |   U0  |   1/16-12UNF  |   7/8-14UNF  |  
  |  22  |   220  |   235  |   250  |   3000  |   400  |   4.35  |   134.6  |   U0  |   1/16-12UNF  |   7/8-14UNF  |  
  |  25  |   200  |   215  |   230  |   3000  |   400  |   4.5  |   139.6  |   U0  |   1/16-12UNF  |   7/8-14UNF  |  
  |  28  |   180  |   190  |   200  |   2500  |   400  |   4.65  |   144.6  |   U0  |   1/16-12UNF  |   7/8-14UNF  |  
  |  30  |   160  |   170  |   180  |   2500  |   400  |   4.75  |   147.9  |   U0  |   1/16-12UNF  |   7/8-14UNF  |  
 
                                                              
                                                         
                                                     
                                                   
                                                 
                                                
                                                  
                                                  
                                                    
                                                        
                                                            
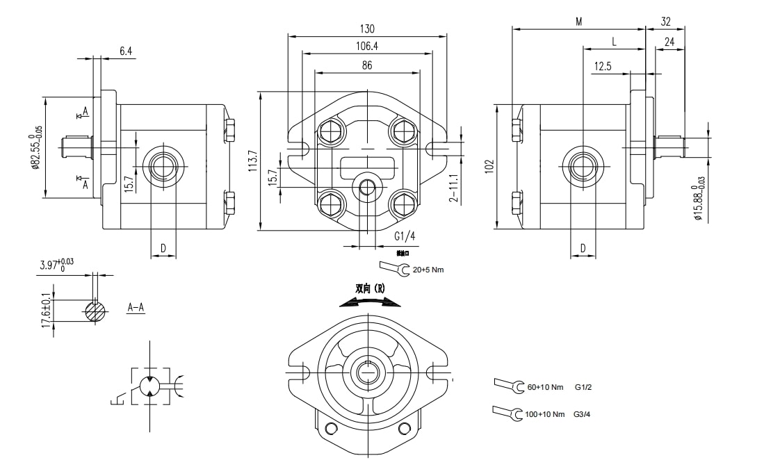
                                                            Consulta
                                                            
                                                            
                                                                   |  Deslocamento |   Pressão máxima	 |   Velocidade máxima |  Velocidade mínima |   Peso | 	  Dimensões |   Código de porta de óleo	  |   Entrada |  
  |  P1  |   P2  |   P3  |   M  |   L  |   D  |  
  |  (cm³/rev.)  |   bar  |   bar  |   bar  |   (r/mín)  |   (r/mín)  |   Kg  |   mm  |   mm  |    |   mm  |  
  |  3  |   100.18  |   2..30  |   4000  |   800  |   4.1  |   113.1  |   43.6  |   93.6  |   W4  |   1/16-12UNF  |  
  |  4  |   4000  |   600  |   4.15  |   114.7  |   44.4  |   95.2  |   W4  |   1/16-12UNF  |  
  |  6  |   4000  |   600  |   4.25  |   118  |   46  |   98.5  |   W4  |   1/16-12UNF  |  
  |  8  |   3500  |   500  |   4.35  |   121.3  |   47.7  |   101.8  |   U4  |   1/16-12UNF  |  
  |  10  |   3500  |   500  |   4.45  |   124.6  |   49.3  |   105.1  |   W4  |   1/16-12UNF  |  
  |  12  |   3500  |   500  |   4.55  |   127.9  |   51  |   108.4  |   W4  |   1/16-12UNF  |  
  |  14  |   3500  |   500  |   4.65  |   131.3  |   52.7  |   111.8  |   W4  |   11/16-12UNF  |  
  |  16  |   3500  |   500  |   4.75  |   134.7  |   54.4  |   115.2  |   W4  |   1/16-12UNF  |  
  |  18  |   3200  |   400  |   4.35  |   138  |   56  |   118.5  |   W4  |   1/16-12UNF  |  
  |  20  |   3200  |   400  |   4.45  |   141.3  |   57.7  |   121.8  |   W4  |   1/16-12UNF  |  
  |  22  |   3000  |   400  |   4.55  |   144.6  |   59.3  |   125.1  |   W4  |   1/16-12UNF  |  
  |  25  |   3000  |   400  |   4.7  |   149.6  |   61.8  |   130.1  |   UJ4  |   1/16-12UNF  |  
  |  28  |   2500  |   400  |   4.85  |   154.6  |   64.3  |   135.1  |   UJ4  |   1/16-12UNF  |  
  |  30  |   2500  |   400  |   5.05  |   157.9  |   66  |   138.4  |   W5  |   5/16-12UNF  |   
 
                                                              
                                                         
                                                     
                                                   
                                                 
                                                
                                                  
                                                  
                                                    
                                                        
                                                            
                                                            Consulta
                                                            
                                                            
                                                                  |  Deslocamento |   Pressão máxima	 |   Velocidade máxima |  Velocidade mínima |   Peso | 	  Dimensões |   Código de porta de óleo	  |   Entrada |  
  |  P1  |   P2  |   P3  |   M  |   L  |   D  |  
  |  (cm³/rev.)  |   bar  |   bar  |   bar  |   (r/mín)  |   (r/mín)  |   Kg  |   mm  |   mm  |    |   mm  |  
  |  3  |   270  |   285  |   300  |   4000  |   800  |   3.35  |   91.1  |   43.6  |   L0  |   G1/2  |  
  |  4  |   270  |   285  |   300  |   4000  |   600  |   3.4  |   92.7  |   44.4  |   L0  |   G1/2  |  
  |  6  |   270  |   285  |   300  |   4000  |   600  |   3.5  |   96  |   46  |   L0  |   G1/2  |  
  |  8  |   270  |   285  |   300  |   3500  |   500  |   3.6  |   99.3  |   47.7  |   L1  |   G3/4  |  
  |  10  |   270  |   285  |   300  |   3500  |   500  |   3.7  |   102.6  |   49.3  |   L1  |   G3/4  |  
  |  12  |   270  |   285  |   300  |   3500  |   500  |   3.8  |   105.9  |   51  |   L1  |   G3/4  |  
  |  14  |   250  |   265  |   280  |   3500  |   500  |   3.9  |   109.3  |   52.7  |   L1  |   G3/4  |  
  |  16  |   250  |   265  |   280  |   3500  |   500  |   4  |   112.7  |   54.4  |   L1  |   G3/4  |  
  |  18  |   250  |   265  |   280  |   3200  |   400  |   4.1  |   116  |   56  |   L1  |   G3/4  |  
  |  20  |   220  |   235  |   250  |   3200  |   400  |   4.2  |   119.3  |   57.7  |   L1  |   G3/4  |  
  |  22  |   220  |   235  |   250  |   3000  |   400  |   4.3  |   122.6  |   59.3  |   L1  |   G3/4  |  
  |  25  |   200  |   215  |   230  |   3000  |   400  |   4.45  |   127.6  |   61.8  |   L1  |   G3/4  |  
  |  28  |   180  |   190  |   200  |   2500  |   400  |   4.6  |   132.6  |   64.3  |   L1  |   G3/4  |  
  |  30  |   160  |   170  |   180  |   2500  |   400  |   4.7  |   135.9  |   66  |   L1  |   G3/4  |   
 
                                                              
                                                         
                                                     
                                                   
                                                 
                                                
                                                  
                                                  
                                                    
                                                        
                                                            
                                                            Consulta
                                                            
                                                            
                                                                  |  Deslocamento |   Pressão máxima	 |   Velocidade máxima |  Velocidade mínima |   Peso | 	  Dimensões |   Código de porta de óleo	  |   Entrada |  
  |  P1  |   P2  |   P3  |   M  |   L  |   B  |   D  |   H  |  
  |  (cm³/rev.)  |   bar  |   bar  |   bar  |   (r/mín)  |   (r/mín)  |   Kg  |   mm  |   mm  |    |   mm  |   mm  |    |  
  |  3  |   270  |   285  |   300  |   4000  |   800  |   3.35  |   123.1  |   75.6  |   F13  |   40  |   20  |   M6  |  
  |  4  |   270  |   285  |   300  |   4000  |   600  |   3.4  |   124.7  |   76.4  |   F13  |   40  |   20  |   M6  |  
  |  6  |   270  |   285  |   300  |   4000  |   600  |   3.5  |   128  |   78  |   F13  |   40  |   20  |   M6  |  
  |  8  |   270  |   285  |   300  |   3500  |   500  |   3.6  |   131.3  |   79.7  |   F13  |   40  |   20  |   M6  |  
  |  10  |   270  |   285  |   300  |   3500  |   500  |   3.7  |   134.6  |   81.3  |   F13  |   40  |   20  |   M6  |  
  |  12  |   270  |   285  |   300  |   3500  |   500  |   3.8  |   137.9  |   83  |   F13  |   40  |   20  |   M6  |  
  |  14  |   250  |   265  |   280  |   3500  |   500  |   3.9  |   141.3  |   84.7  |   F13  |   40  |   20  |   M6  |  
  |  16  |   250  |   265  |   280  |   3500  |   500  |   4  |   144.7  |   86.4  |   F13  |   40  |   20  |   M6  |  
  |  18  |   250  |   265  |   280  |   3200  |   400  |   4.1  |   148  |   88  |   F13  |   40  |   20  |   M6  |  
  |  20  |   220  |   235  |   250  |   3200  |   400  |   4.2  |   151.3  |   89.7  |   F13  |   40  |   20  |   M6  |  
  |  22  |   220  |   235  |   250  |   3000  |   400  |   4.3  |   154.6  |   91.3  |   F13  |   40  |   20  |   M6  |  
  |  25  |   200  |   215  |   230  |   3000  |   400  |   4.45  |   159.6  |   93.8  |   F13  |   40  |   20  |   M6  |  
  |  28  |   180  |   190  |   200  |   2500  |   400  |   4.6  |   164.6  |   96.3  |   F13  |   40  |   20  |   M6  |  
  |  30  |   160  |   170  |   180  |   2500  |   400  |   4.7  |   167.9  |   98  |   F13  |   40  |   20  |   M6  |