Boden Hydraulics Co. Ltd. Dedicada ao projeto, fabricação e venda de componentes hidráulicos
  • 
  • Início
  • Produtos+
    • Costumização
    • Aplicações+
      • Equipamentos de manuseio de materiais
      • Maquinário de construção
      • Maquinário agrícola
      • Turbinas eólicas
      • Plataformas aéreas de trabalho
      • Veículos elétricos
    • Sobre nós+
      • Sobre a empresa
      • História
      • Tour da fábrica
    • Serviços
    • Vídeos
    • Contato
    • Download Do Catálogo

    Divisores de fluxo

    • Início
    • Produtos
    • Divisores de fluxo
    • Divisor de fluxo, Grupo 2

    Divisor de fluxo, Grupo 2 (3~250cm³/rev.)

    Uma combinação de vários motores hidráulicos conectados por um eixo
    Divisor de fluxo, Grupo 2
    Informações técnicas
    • Deslocamento: 3~250cm³/rev.
    • Rotation direction: reversible (R)
    • Velocidade mínima: 600r/mín
    • Velocidade máxima: 2500r/mín
    • Pressão máxima: 150~250bar
    Solicite um orçamento
    • Regras para códigos de encomenda
    • Dimensões padrão
    Regras para o código de pedido do divisor de fluxo do Grupo 2
    Download do PDF
    Regras para o código de pedido do divisor de fluxo do Grupo 2
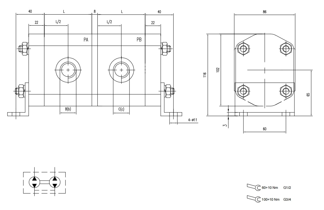
    Divisor de fluxo do grupo 2 Dimensões padrão do produto
    Divisor de fluxo, Grupo 2
    Divisor de fluxo, Grupo 2
    Consulta
    Deslocamento Pressão máxima Velocidade máxima Velocidade mínima Dimensões Código de porta de óleo Entrada Saída Código de porta de óleo Entrada Saída
    PA PA L PA B c PB C c
    (cm³/rev.) bar (r/mín) (r/mín) mm
    3 250 2500 600 49.1 L0 G1/2 G1/2 L0 G1/2 G1/2
    4 250 50.7 L0 G1/2 G1/2 L0 G1/2 G1/2
    6 250 54 L0 G1/2 G1/2 L0 G1/2 G1/2
    8 230 57.3 L4 G3/4 G3/4 L4 G3/4 G3/4
    10 230 60.6 L4 G3/4 G3/4 L4 G3/4 G3/4
    12 230 63.9 L4 G3/4 G3/4 L4 G3/4 G3/4
    14 230 67.3 L4 G3/4 G3/4 L4 G3/4 G3/4
    16 210 70.7 L4 G3/4 G3/4 L4 G3/4 G3/4
    18 210 74 L4 G3/4 G3/4 L4 G3/4 G3/4
    20 200 77.3 L4 G3/4 G3/4 L4 G3/4 G3/4
    22 200 80.6 L4 G3/4 G3/4 L4 G3/4 G3/4
    25 190 85.6 L4 G3/4 G3/4 L4 G3/4 G3/4
    28 170 90.6 L4 G3/4 G3/4 L4 G3/4 G3/4
    30 150 93.9 L4 G3/4 G3/4 L4 G3/4 G3/4
    • Bomba de engrenagem externa
        Grupo 0.5 (0.19~2cm³/rev.) Grupo 1 (0.8~8cm³/rev.) Grupo 1.2 (0.8~12cm³/rev.) Grupo 1.25 (1.4~13.8cm³/rev.) Grupo 1.3 (1.88~9.68cm³/rev.) Grupo 1.5 (2~12cm³/rev.) Grupo 2 (3~30cm³/rev.) Grupo 2.1D (7~20cm³/rev.) Grupo 2.5D (23~40cm³/rev.) Grupo 2.5 (10~45cm³/rev.) Grupo 2.6 (6~44cm³/rev.) Grupo 3 (20~71cm³/rev.) Grupo 3.5 (21.1~105.4cm³/rev.) Grupo 4 (33.1~98.8cm³/rev.)
    • Bomba de engrenagem múltipla
        Grupo 1 + Grupo 1
        (0.8~13.8cm³/rev.)
        Grupo 1.25 + Grupo 1.25
        (1.4~13.8cm³/rev.)
        Grupo 2 + Grupo 1
        (0.8~30cm³/rev.)
        Grupo 2 + Grupo 2
        (0.8~30cm³/rev.)
        Grupo 2.5 + Grupo 2.5
        (10~45cm³/rev.)
        Grupo 2.6 + Grupo 2
        (3~44cm³/rev.)
        Grupo 2.6 + Grupo 2.6
        (6~44cm³/rev.)
        Grupo 3 + Grupo 1
        (0.8~71cm³/rev.)
        Grupo 3 + Grupo 2
        (3~71cm³/rev.)
        Grupo 3 + Grupo 3
        (3~71cm³/rev.)
        Grupo 3A + Grupo 2.6A
        (10~63cm³/rev.)
    • Divisores de fluxo
        Grupo 1.25 (1.4~230cm³/rev.) Grupo 2 (3~250cm³/rev.)
    • Bombas de alta e baixa pressão
        Grupo 1G/1G (0.8~8cm³/rev.) Grupo 1.3G/1.3G (1~13cm³/rev.) Grupo 2G/2G (3~30cm³/rev.)
    Entre em contato

    Entraremos em contato com você o mais rápido possível.

    • +86-513-83601666
    • +86-18951331823
    • sales@boden-hyd.com
    Outros Produtos
    • Bomba de engrenagem externa
      Bomba de engrenagem externa Mais
    • Bomba de engrenagem múltipla
      Bomba de engrenagem múltipla Mais
    • gh-Low Pumps
      Bombas de alta e baixa pressão Mais
    Produtos
    • Bomba de engrenagem externa
    • Bomba de engrenagem múltipla
    • Divisores de fluxo
    • Bombas de alta e baixa pressão
    Aplicações
    • Equipamentos de manuseio de materiais
    • Maquinário de construção
    • Maquinário agrícola
    • Turbinas eólicas
    • Plataformas aéreas de trabalho
    • Veículos elétricos
    Sobre nós
    • Sobre a empresa
    • História
    • Tour da fábrica
    Contato

    Slyvia Shen
    sales@boden-hyd.com
    +86-513-83601666
    +86-18951331823
    +86-18951331823