Boden Hydraulics Co. Ltd. Dedicada ao projeto, fabricação e venda de componentes hidráulicos
  • 
  • Início
  • Produtos+
    • Costumização
    • Aplicações+
      • Equipamentos de manuseio de materiais
      • Maquinário de construção
      • Maquinário agrícola
      • Turbinas eólicas
      • Plataformas aéreas de trabalho
      • Veículos elétricos
    • Sobre nós+
      • Sobre a empresa
      • História
      • Tour da fábrica
    • Serviços
    • Vídeos
    • Contato
    • Download Do Catálogo

    Bomba de engrenagem múltipla

    • Início
    • Produtos
    • Bomba de engrenagem múltipla
    • Bomba de engrenagem múltipla, Grupo 3A + Grupo 2.6A

    Bomba de engrenagem múltipla, Grupo 3A + Grupo 2.6A (10~63cm³/rev.)

    Bombas hidráulicas
    Bomba de engrenagem múltipla, Grupo 3A + Grupo 2.6A
    Informações técnicas
    • Deslocamento: 10~63cm³/rev.
    • Sentido de rotação: no sentido horário (D), anti-horário (S), reversível (R)
    • Velocidade mínima: 800r/mín
    • Velocidade máxima: 2500r/mín
    • Pressão máxima: 250bar
    Solicite um orçamento
    • Regras para códigos de encomenda
    • Dimensões padrão
    Regras para códigos de encomenda
    Download do PDF
    Regras para códigos de encomenda
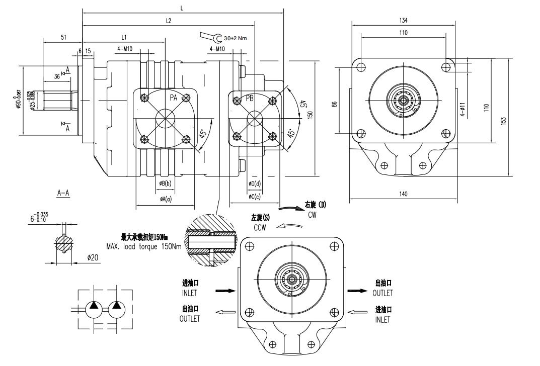
    Dimensões padrão do produto
    Bomba de engrenagem múltipla, Grupo 3A + Grupo 2.6A
    Bomba de engrenagem múltipla, Grupo 3A + Grupo 2.6A
    Consulta
    Deslocamento Pressão máxima Velocidade máxima Velocidade mínima Dimensões Código de porta de óleo Entrada Saída Código de porta de óleo Entrada Saída
    PA PB PA PB L L1 L2 PA A B a b PB C D c d
    (cm³/rev.) bar bar (r/mín) (r/mín) mm mm mm mm mm mm mm mm mm mm mm
    32/10 250 250 800 229.5 98 192 F47 65 30 65 20 F29 65 25 65 20
    250 250 237 98 199.5 F47 65 30 65 20 F29 65 25 65 20
    32/20 250 242 98 204.5 F47 65 30 65 20 F29 65 25 65 20
    40/16 250 250 242 100.5 204.5 F2 76 35 76 25 F29 65 25 65 20
    40/20 250 250 247 100.5 209.5 F2 76 35 76 25 F29 65 25 65 20
    40/25 250 250 253.5 100.5 216 F2 76 35 76 25 F29 65 25 65 20
    250 250 238.5 102.5 201 F2 76 35 76 25 F29 65 25 65 20
    50/10 250 250 240.5 103.5 203 F2 76 35 76 25 F29 65 25 65 20
    50/16 250 250 248 103.5 210.5 F2 76 35 76 25 F29 65 25 65 20
    50/20 250 250 253 103.5 215.5 F2 76 35 76 25 F29 65 25 65 20
    50/25 250 250 258.5 103.5 222 F2 76 35 76 25 F29 65 25 65 20
    63/10 250 250 248.5 107.5 211 F2 76 35 76 25 F29 65 25 65 20
    63/20 250 250 261 107.5 223.5 F2 76 35 76 25 F29 65 25 65 20
    • Bomba de engrenagem externa
        Grupo 0.5 (0.19~2cm³/rev.) Grupo 1 (0.8~8cm³/rev.) Grupo 1.2 (0.8~12cm³/rev.) Grupo 1.25 (1.4~13.8cm³/rev.) Grupo 1.3 (1.88~9.68cm³/rev.) Grupo 1.5 (2~12cm³/rev.) Grupo 2 (3~30cm³/rev.) Grupo 2.1D (7~20cm³/rev.) Grupo 2.5D (23~40cm³/rev.) Grupo 2.5 (10~45cm³/rev.) Grupo 2.6 (6~44cm³/rev.) Grupo 3 (20~71cm³/rev.) Grupo 3.5 (21.1~105.4cm³/rev.) Grupo 4 (33.1~98.8cm³/rev.)
    • Bomba de engrenagem múltipla
        Grupo 1 + Grupo 1
        (0.8~13.8cm³/rev.)
        Grupo 1.25 + Grupo 1.25
        (1.4~13.8cm³/rev.)
        Grupo 2 + Grupo 1
        (0.8~30cm³/rev.)
        Grupo 2 + Grupo 2
        (0.8~30cm³/rev.)
        Grupo 2.5 + Grupo 2.5
        (10~45cm³/rev.)
        Grupo 2.6 + Grupo 2
        (3~44cm³/rev.)
        Grupo 2.6 + Grupo 2.6
        (6~44cm³/rev.)
        Grupo 3 + Grupo 1
        (0.8~71cm³/rev.)
        Grupo 3 + Grupo 2
        (3~71cm³/rev.)
        Grupo 3 + Grupo 3
        (3~71cm³/rev.)
        Grupo 3A + Grupo 2.6A
        (10~63cm³/rev.)
    • Divisores de fluxo
        Grupo 1.25 (1.4~230cm³/rev.) Grupo 2 (3~250cm³/rev.)
    • Bombas de alta e baixa pressão
        Grupo 1G/1G (0.8~8cm³/rev.) Grupo 1.3G/1.3G (1~13cm³/rev.) Grupo 2G/2G (3~30cm³/rev.)
    Produtos relacionados
    Bomba de engrenagem múltipla, Grupo 1 + Grupo 1 Bomba de engrenagem múltipla, Grupo 1 + Grupo 1
    Bomba de engrenagem múltipla, Grupo 1.25 + Grupo 1.25 Bomba de engrenagem múltipla, Grupo 1.25 + Grupo 1.25
    Bomba de engrenagem múltipla, Grupo 2 + Grupo 1 Bomba de engrenagem múltipla, Grupo 2 + Grupo 1
    Bomba de engrenagem múltipla, Grupo 2 + 2 Bomba de engrenagem múltipla, Grupo 2 + 2
    Bomba de engrenagem múltipla, Grupo 2.5 + Grupo 2.5 Bomba de engrenagem múltipla, Grupo 2.5 + Grupo 2.5
    Bomba de engrenagem múltipla Group 2.6 + 2 Bomba de engrenagem múltipla Group 2.6 + 2
    Bomba de engrenagem múltipla Group 2.6 + 2.6 Bomba de engrenagem múltipla Group 2.6 + 2.6
    Bomba de engrenagem múltipla, Grupo 3 + Grupo 1 Bomba de engrenagem múltipla, Grupo 3 + Grupo 1
    Bomba de engrenagem múltipla, Grupo 3 + Grupo 2 Bomba de engrenagem múltipla, Grupo 3 + Grupo 2
    Bomba de engrenagem múltipla, Group 3 + 3 Bomba de engrenagem múltipla, Group 3 + 3
    Bomba de engrenagem múltipla, Grupo 3A + Grupo 2.6A Bomba de engrenagem múltipla, Grupo 3A + Grupo 2.6A
    Entre em contato

    Entraremos em contato com você o mais rápido possível.

    • +86-513-83601666
    • +86-18951331823
    • sales@boden-hyd.com
    Outros Produtos
    • Bomba de engrenagem externa
      Bomba de engrenagem externa Mais
    • Divisores de fluxo
      Divisores de fluxo Mais
    • gh-Low Pumps
      Bombas de alta e baixa pressão Mais
    Produtos
    • Bomba de engrenagem externa
    • Bomba de engrenagem múltipla
    • Divisores de fluxo
    • Bombas de alta e baixa pressão
    Aplicações
    • Equipamentos de manuseio de materiais
    • Maquinário de construção
    • Maquinário agrícola
    • Turbinas eólicas
    • Plataformas aéreas de trabalho
    • Veículos elétricos
    Sobre nós
    • Sobre a empresa
    • História
    • Tour da fábrica
    Contato

    Slyvia Shen
    sales@boden-hyd.com
    +86-513-83601666
    +86-18951331823
    +86-18951331823