Boden Hydraulics Co. Ltd. Dedicada ao projeto, fabricação e venda de componentes hidráulicos
  • 
  • Início
  • Produtos+
    • Costumização
    • Aplicações+
      • Equipamentos de manuseio de materiais
      • Maquinário de construção
      • Maquinário agrícola
      • Turbinas eólicas
      • Plataformas aéreas de trabalho
      • Veículos elétricos
    • Sobre nós+
      • Sobre a empresa
      • História
      • Tour da fábrica
    • Serviços
    • Vídeos
    • Contato
    • Download Do Catálogo

    Bomba de engrenagem externa

    • Início
    • Produtos
    • Bomba de engrenagem externa
    • Bomba de engrenagem externa, Grupo 3

    Bomba de engrenagem externa, Grupo 3 (20~71cm³/rev.)

    Bombas hidráulicas
    Bomba de engrenagem externa, Grupo 3
    Bomba de engrenagem externa, Grupo 3 Bomba de engrenagem externa, Grupo 3 Bomba de engrenagem externa, Grupo 3 Bomba de engrenagem externa, Grupo 3 Bomba de engrenagem externa, Grupo 3
    Informações técnicas
    • Deslocamento: 20~71cm³/rev.
    • Sentido de rotação: no sentido horário (D), anti-horário (S), reversível (R)
    • Velocidade mínima: 400~600r/mín
    • Velocidade máxima: 2500~3500r/mín
    • Pressão máxima: 220~280bar
    Tabela da curva de desempenho
    Indústrias atendidas
    • Máquinas de construção, veículos de saneamento, sistemas hidráulicos
    Solicite um orçamento

    Características
    • Alta eficiência, longa vida útil
    • Alto desempenho mesmo em baixas velocidades
    • Várias opções de porta de óleo e extensão do eixo disponíveis
    • Vedação do eixo sem vazamentos
    • Bomba e motor reversíveis opcionais
    • Parâmetros técnico
    • Regras para códigos de encomenda
    • Dimensões padrão
    Parâmetros técnicos
    Deslocamento Pressão absoluta de sucção Pressão máxima contínua Pressão máxima intermitente Pressão máxima de pico Velocidade mínima Velocidade máxima Eficiência volumétrica
    Y Pe P1 P2 P3 nmín nmáx ηv
    cm³/rev. bar r/mín %
    20 0.7...3 250 265 280 600 3500 ≥92
    22
    26 500 3000
    33 230 250 270 ≥93
    39
    46
    50 220 240 260 ≥94
    52
    55 200 230 250 400 2800
    63 ≥95
    71 180 200 220 2500
    Regras para códigos de encomenda
    Download do PDF
    Group 3 External Gear Pump Regras para códigos de encomenda
    Bomba de engrenagem externa, Grupo 3
    Bomba de engrenagem externa, Grupo 3
    Bomba de engrenagem externa, Grupo 3
    Bomba de engrenagem externa, Grupo 3
    Bomba de engrenagem externa, Grupo 3
    Dimensões padrão
    Bomba de engrenagem externa, Grupo 3
    Bomba de engrenagem externa, Grupo 3
    Consulta
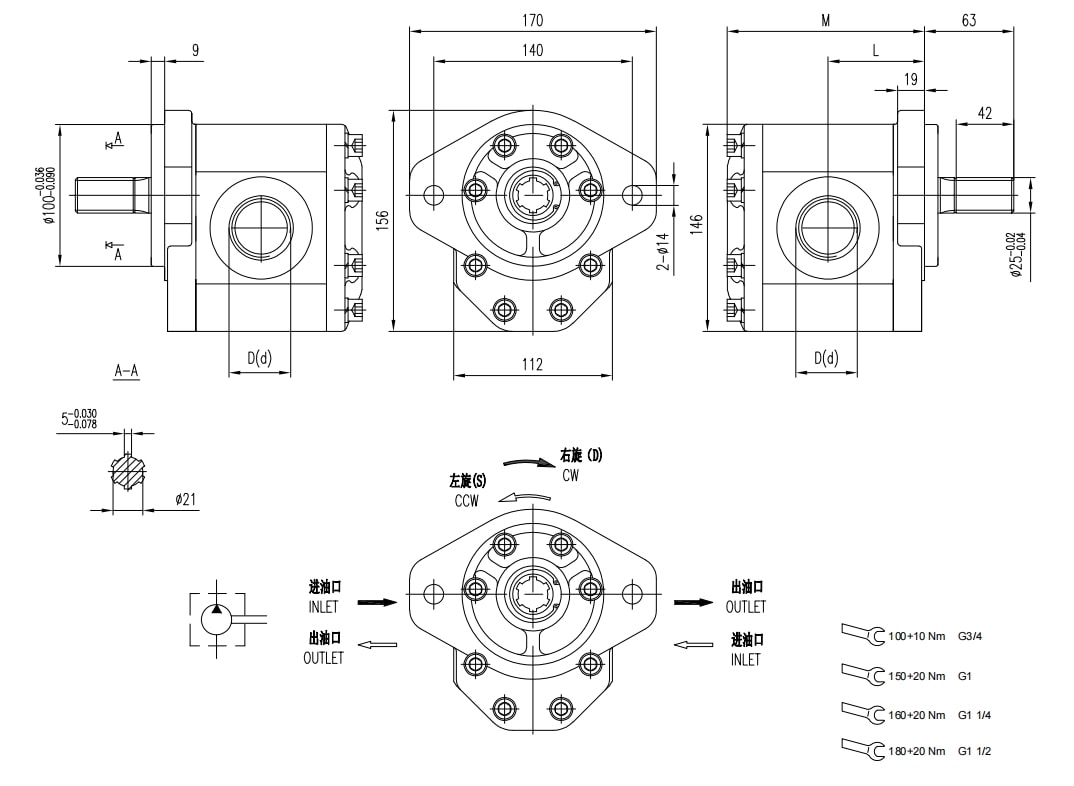
    Deslocamento Pressão máxima Velocidade máxima Velocidade mínima Peso Dimensões Código de porta de óleo Entrada Saída
    P1 P2 P3 M L B D C b d c
    (cm³/rev.) bar bar bar (r/mín) (r/mín) Kg mm mm mm mm mm mm
    20 250 265 280 3500 600 7.5 128 63 F0 50 20 M8 50 20 M8
    22 250 265 280 3500 600 7.7 130 64 F0 50 20 M8 50 20 M8
    26 250 265 280 3000 600 8.1 133 65 F0 50 20 M8 50 20 M8
    33 230 250 270 3000 500 8.6 139 68 F1 65 25 M8 65 20 M8
    39 230 250 270 3000 500 9.1 146 72 F1 65 25 M8 65 20 M8
    46 230 250 270 3000 500 9.6 152 75 F1 65 25 M8 65 20 M8
    50 220 240 260 3000 500 10 156 77 F2 76 33 M10 76 25 M10
    52 220 240 260 3000 500 10.2 158 78 F2 76 33 M10 76 25 M10
    55 200 230 250 2800 400 10.5 160 79 F2 76 33 M10 76 25 M10
    63 200 230 250 2800 400 11.1 168 83 F2 76 33 M10 76 25 M10
    71 180 200 220 2500 400 11.8 175 86 F2 76 33 M10 76 25 M10
    Bomba de engrenagem externa, Grupo 3
    Bomba de engrenagem externa, Grupo 3
    Consulta
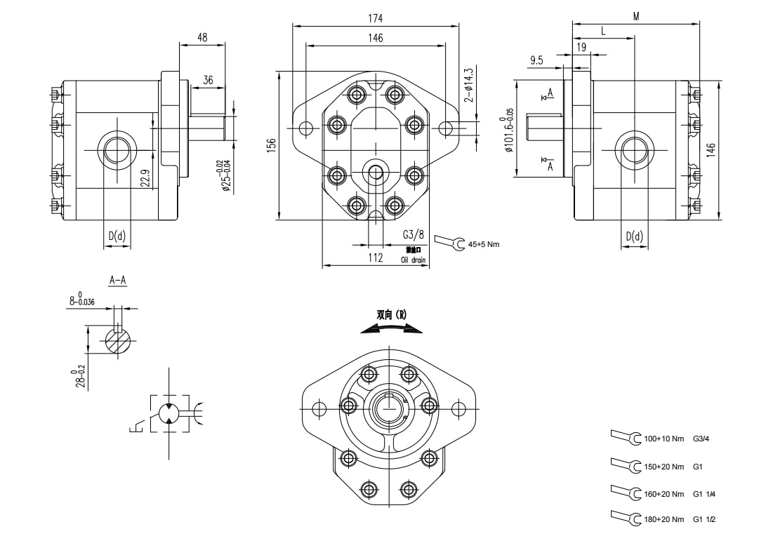
    Deslocamento Pressão máxima Velocidade máxima Velocidade mínima Peso Dimensões Código de porta de óleo Entrada Saída
    P1 P2 P3 M L D d
    (cm³/rev.) bar bar bar (r/mín) (r/mín) Kg mm mm
    20 250 265 280 3500 600 7.5 128 63 E0 56 27 56 19
    22 250 265 280 3500 600 7.7 130 64 E0 56 27 56 19
    26 250 265 280 3000 600 8.1 133 65 E0 56 27 56 19
    33 230 250 270 3000 500 8.6 139 68 E0 56 27 56 19
    39 230 250 270 3000 500 9.1 146 72 E0 56 27 56 19
    46 230 250 270 3000 500 9.6 152 75 E1 51 27 51 27
    50 220 240 260 3000 500 10 156 77 E2 56 27 56 27
    52 220 240 260 3000 500 10.2 158 78 E2 56 27 56 27
    55 200 230 250 2800 400 10.5 160 79 E3 62 33 51 27
    63 200 230 250 2800 400 11.1 168 83 E3 62 33 51 27
    71 180 200 220 2500 400 11.8 175 86 E3 62 33 51 27
    Bomba de engrenagem externa, Grupo 3
    Bomba de engrenagem externa, Grupo 3
    Consulta
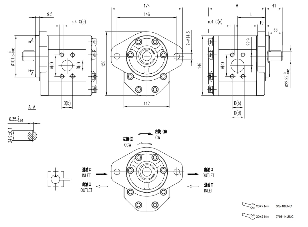
    Deslocamento Pressão máxima Velocidade máxima Velocidade mínima Peso Dimensões Código de porta de óleo Entrada Saída
    P1 P2 P3 M L A B C D a b c d
    (cm³/rev.) bar bar bar (r/mín) (r/mín) Kg mm mm mm mm UNC mm mm mm UNC mm
    20 250 265 280 3500 600 7.5 128 63 F4 52.4 26.2 3/8 27 47.6 22.2 3/8 19
    22 250 265 280 3500 600 7.7 130 64 F4 52.4 26.2 3/8 27 47.6 22.2 3/8 19
    26 250 265 280 3000 600 8.1 133 65 F4 52.4 26.2 3/8 27 47.6 22.2 3/8 19
    33 230 250 270 3000 500 8.6 139 68 F4 52.4 26.2 3/8 27 47.6 22.2 3/8 19
    39 230 250 270 3000 500 9.1 146 72 F4 52.4 26.2 3/8 27 47.6 22.2 3/8 19
    46 230 250 270 3000 500 9.6 152 75 F4 52.4 26.2 3/8 27 47.6 22.2 3/8 19
    50 220 240 260 3000 500 10 156 77 F4 52.4 26.2 3/8 27 47.6 22.2 3/8 19
    52 220 240 260 3000 500 10.2 158 78 F4 52.4 26.2 3/8 27 47.6 22.2 3/8 19
    55 200 230 250 2800 400 10.5 160 79 F5 58.7 30.2 7/16 33 52.4 26.2 3/8 27
    63 200 230 250 2800 400 11.1 168 83 F5 58.7 30.2 7/16 33 52.4 26.2 3/8 27
    71 180 200 220 2500 400 11.8 175 86 F5 58.7 30.2 7/16 33 52.4 26.2 3/8 27
    Bomba de engrenagem externa, Grupo 3
    Bomba de engrenagem externa, Grupo 3
    Consulta
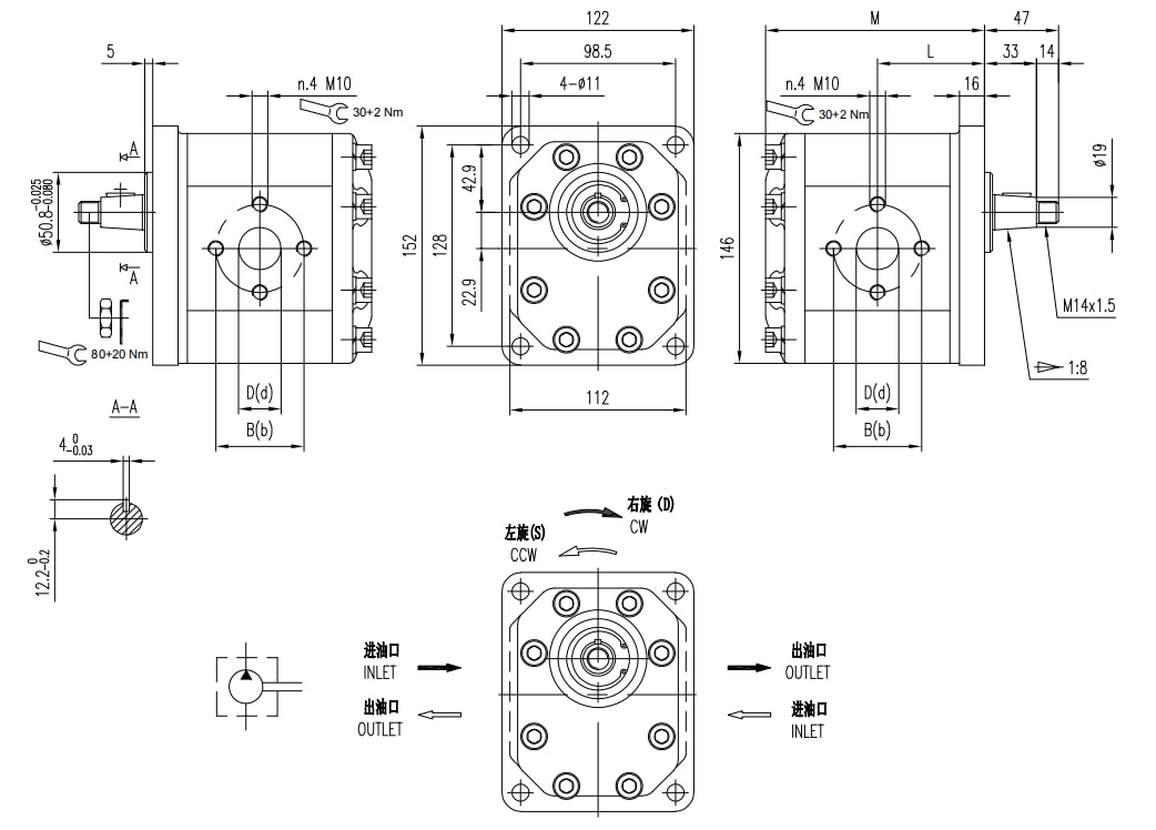
    Deslocamento Pressão máxima Velocidade máxima Velocidade mínima Peso Dimensões Código de porta de óleo Entrada Saída
    P1 P2 P3 M L D d
    (cm³/rev.) bar bar bar (r/mín) (r/mín) Kg mm mm
    20 250 265 280 3500 600 7.5 128 63 L0 G3/4 G3/4
    22 250 265 280 3500 600 7.7 130 64 L0 G3/4 G3/4
    26 250 265 280 3000 600 8.1 133 65 L1 G1 G3/4
    33 230 250 270 3000 500 8.6 139 68 L1 G1 G3/4
    39 230 250 270 3000 500 9.1 146 72 L1 G1 G3/4
    46 230 250 270 3000 500 9.6 152 75 L2 G1 1/4 G1
    50 220 240 260 3000 500 10 156 77 L2 G1 1/4 G1
    52 220 240 260 3000 500 10.2 158 78 L2 G1 1/4 G1
    55 200 230 250 2800 400 10.5 160 79 L2 G1 1/4 G1
    63 200 230 250 2800 400 11.1 168 83 L2 G1 1/4 G1
    71 180 200 220 2500 400 11.8 175 86 L3 G1 1/2 G1 1/4
    Bomba de engrenagem externa, Grupo 3
    Bomba de engrenagem externa, Grupo 3
    Consulta
    Deslocamento Pressão máxima Velocidade máxima Velocidade mínima Peso Dimensões Código de porta de óleo Entrada Saída
    P1 P2 P3 M L D d
    (cm³/rev.) bar bar bar (r/mín) (r/mín) Kg mm mm
    20 250 265 280 3500 600 7.5 128 63 L0 G3/4 G3/4
    22 250 265 280 3500 600 7.7 130 64 L0 G3/4 G3/4
    26 250 265 280 3000 600 8.1 133 65 L1 G1 G3/4
    33 230 250 270 3000 500 8.6 139 68 L1 G1 G3/4
    39 230 250 270 3000 500 9.1 146 72 L1 G1 G3/4
    46 230 250 270 3000 500 9.6 152 75 L2 G1 1/4 G1
    50 220 240 260 3000 500 10 156 77 L2 G1 1/4 G1
    52 220 240 260 3000 500 10.2 158 78 L2 G1 1/4 G1
    55 200 230 250 2800 400 10.5 160 79 L2 G1 1/4 G1
    63 200 230 250 2800 400 11.1 168 83 L2 G1 1/4 G1
    71 180 200 220 2500 400 11.8 175 86 L3 G1 1/2 G1 1/4
    • Bomba de engrenagem externa
        Grupo 0.5 (0.19~2cm³/rev.) Grupo 1 (0.8~8cm³/rev.) Grupo 1.2 (0.8~12cm³/rev.) Grupo 1.25 (1.4~13.8cm³/rev.) Grupo 1.3 (1.88~9.68cm³/rev.) Grupo 1.5 (2~12cm³/rev.) Grupo 2 (3~30cm³/rev.) Grupo 2.1D (7~20cm³/rev.) Grupo 2.5D (23~40cm³/rev.) Grupo 2.5 (10~45cm³/rev.) Grupo 2.6 (6~44cm³/rev.) Grupo 3 (20~71cm³/rev.) Grupo 3.5 (21.1~105.4cm³/rev.) Grupo 4 (33.1~98.8cm³/rev.)
    • Bomba de engrenagem múltipla
        Grupo 1 + Grupo 1
        (0.8~13.8cm³/rev.)
        Grupo 1.25 + Grupo 1.25
        (1.4~13.8cm³/rev.)
        Grupo 2 + Grupo 1
        (0.8~30cm³/rev.)
        Grupo 2 + Grupo 2
        (0.8~30cm³/rev.)
        Grupo 2.5 + Grupo 2.5
        (10~45cm³/rev.)
        Grupo 2.6 + Grupo 2
        (3~44cm³/rev.)
        Grupo 2.6 + Grupo 2.6
        (6~44cm³/rev.)
        Grupo 3 + Grupo 1
        (0.8~71cm³/rev.)
        Grupo 3 + Grupo 2
        (3~71cm³/rev.)
        Grupo 3 + Grupo 3
        (3~71cm³/rev.)
        Grupo 3A + Grupo 2.6A
        (10~63cm³/rev.)
    • Divisores de fluxo
        Grupo 1.25 (1.4~230cm³/rev.) Grupo 2 (3~250cm³/rev.)
    • Bombas de alta e baixa pressão
        Grupo 1G/1G (0.8~8cm³/rev.) Grupo 1.3G/1.3G (1~13cm³/rev.) Grupo 2G/2G (3~30cm³/rev.)
    Produtos relacionados
    Bomba de engrenagem externa, Grupo 3.5 Bomba de engrenagem externa, Grupo 3.5
    Mini bomba de engrenagem externa, Grupo 4 Mini bomba de engrenagem externa, Grupo 4
    Mini bomba de engranagem externa, Grupo 0.5 Mini bomba de engranagem externa, Grupo 0.5
    Mini bomba de engrenagem externa, Grupo 1 Mini bomba de engrenagem externa, Grupo 1
    Mini bomba de engrenagem externa, Grupo 1.2 Mini bomba de engrenagem externa, Grupo 1.2
    Mini bomba de engrenagem externa, Grupo 1.25 Mini bomba de engrenagem externa, Grupo 1.25
    Mini bomba de engrenagem externa, Grupo 1.3 Mini bomba de engrenagem externa, Grupo 1.3
    Mini bomba de engrenagem externa, Grupo 1.5 Mini bomba de engrenagem externa, Grupo 1.5
    Bomba de engrenagem externa, Grupo 2 Bomba de engrenagem externa, Grupo 2
    Bomba de engrenagem externa, Grupo 2.1D Bomba de engrenagem externa, Grupo 2.1D
    Bomba de engrenagem externa, Grupo 2.5D Bomba de engrenagem externa, Grupo 2.5D
    Bomba de engrenagem externa, Grupo 2.5 Bomba de engrenagem externa, Grupo 2.5
    Bomba de engrenagem externa, Grupo 2.6 Bomba de engrenagem externa, Grupo 2.6
    Bomba de engrenagem externa, Grupo 3 Bomba de engrenagem externa, Grupo 3
    Entre em contato

    Entraremos em contato com você o mais rápido possível.

    • +86-513-83601666
    • +86-18951331823
    • sales@boden-hyd.com
    Outros Produtos
    • Bomba de engrenagem múltipla
      Bomba de engrenagem múltipla Mais
    • Divisores de fluxo
      Divisores de fluxo Mais
    • gh-Low Pumps
      Bombas de alta e baixa pressão Mais
    Produtos
    • Bomba de engrenagem externa
    • Bomba de engrenagem múltipla
    • Divisores de fluxo
    • Bombas de alta e baixa pressão
    Aplicações
    • Equipamentos de manuseio de materiais
    • Maquinário de construção
    • Maquinário agrícola
    • Turbinas eólicas
    • Plataformas aéreas de trabalho
    • Veículos elétricos
    Sobre nós
    • Sobre a empresa
    • História
    • Tour da fábrica
    Contato

    Slyvia Shen
    sales@boden-hyd.com
    +86-513-83601666
    +86-18951331823
    +86-18951331823