Boden Hydraulics Co. Ltd. Dedicada ao projeto, fabricação e venda de componentes hidráulicos
  • 
  • Início
  • Produtos+
    • Costumização
    • Aplicações+
      • Equipamentos de manuseio de materiais
      • Maquinário de construção
      • Maquinário agrícola
      • Turbinas eólicas
      • Plataformas aéreas de trabalho
      • Veículos elétricos
    • Sobre nós+
      • Sobre a empresa
      • História
      • Tour da fábrica
    • Serviços
    • Vídeos
    • Contato
    • Download Do Catálogo

    Bomba de engrenagem externa

    • Início
    • Produtos
    • Bomba de engrenagem externa
    • Bomba de engrenagem externa, Grupo 2.5

    Bomba de engrenagem externa, Grupo 2.5 (10~45cm³/rev.)

    Bombas hidráulicas
    Bomba de engrenagem externa, Grupo 2.5
    Bomba de engrenagem externa, Grupo 2.5 Bomba de engrenagem externa, Grupo 2.5
    Informações técnicas
    • Deslocamento: 10~45cm³/rev.
    • Sentido de rotação: sentido horário (D), anti-horário (S)
    • Velocidade mínima: 400~800r/mín
    • Velocidade máxima: 2500 ~4000r/mín
    • Pressão máxima: 200 ~290bar
    Tabela da curva de desempenho
    Indústrias atendidas
    • Empilhadeira com motor de combustão interna
    Solicite um orçamento

    Características
    • Baixo ruído, alta eficiência, longa vida útil
    • Alto desempenho mesmo em baixas velocidades
    • Várias opções de porta de óleo e extensão do eixo disponíveis
    • Vedação do eixo sem vazamentos
    • Parâmetros técnico
    • Regras para códigos de encomenda
    • Dimensões padrão
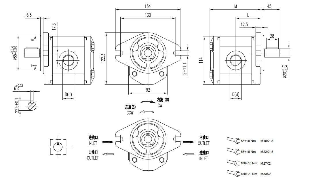
    Dimensões padrão
    Deslocamento Pressão absoluta de sucção Pressão máxima contínua Pressão máxima intermitente Pressão máxima de pico Velocidade mínima Velocidade máxima Eficiência volumétrica
    Y Pe P1 P2 P3 nmín nmáx ηv
    cm³/rev. bar t/min %
    10 0.7...3 250 270 290 800 4000 ≥91
    12.5
    14 700 ≥92
    16 3500
    18 600
    19 ≥93
    20 500
    23 230 250 260
    25 ≥94
    26.5
    28
    30 400 3000
    32 200 230 250
    36 2750 ≥95
    40 160 180 200 2500
    45
    Regras para códigos de encomenda
    Download do PDF
    Group 2.5 External Gear Pump Regras para códigos de encomenda
    Bomba de engrenagem externa, Grupo 2.5
    Bomba de engrenagem externa, Grupo 2.5
    Bomba de engrenagem externa, Grupo 2.5
    Bomba de engrenagem externa, Grupo 2.5
    Dimensões padrão
    Dimensões padrão
    Dimensões padrão
    Consulta
    Deslocamento Pressão máxima Velocidade máxima Velocidade mínima Peso Dimensões Código de porta de óleo Entrada Saída
    P1 P2 P3 M L D d
    (cm³/rev.) bar bar bar (r/mín) (r/mín) Kg mm mm
    10 250 270 290 4000 800 4.1 110 53.3 Z0 M22x1.5 M18x1.5
    12.5 250 270 290 4000 800 4.3 113 54.8 Z0 M22x1.5 M18x1.5
    14 250 270 290 4000 700 4.5 115 55.8 Z0 M22x1.5 M18x1.5
    16 250 270 290 3500 700 4.7 118 57.1 Z1 M27x2 M22x1.5
    18 250 270 290 3500 600 4.9 120 58.3 Z1 M27x2 M22x1.5
    19 250 270 290 3500 600 5 121 58.8 Z1 M27x2 M22x1.5
    20 250 270 290 3500 500 5.1 123 59.6 Z1 M27x2 M22x1.5
    23 230 250 260 3500 500 5.25 126 61.3 Z2 M33x2 M27x2
    25 230 250 260 3500 500 5.45 129 62.6 Z2 M33x2 M27x2
    26.5 230 250 260 3500 500 5.6 131 63.6 Z2 M33x2 M27x2
    28 230 250 260 3500 500 5.75 133 64.6 Z2 M33x2 M27x2
    30 230 250 260 3000 400 5.95 135 65.6 Z2 M33x2 M27x2
    32 200 230 250 3000 400 6.15 138 67.1 Z2 M33x2 M27x2
    36 200 230 250 2750 400 6.55 142 69.1 Z2 M33x2 M27x2
    40 160 180 200 2500 400 6.9 148 71.6 Z2 M33x2 M27x2
    45 160 180 200 2500 400 7.45 153 74.6 Z2 M33x2 M27x2
    Dimensões padrão
    Dimensões padrão
    Consulta
    Deslocamento Pressão máxima Velocidade máxima Velocidade mínima Peso Dimensões Código de porta de óleo Entrada Saída
    P1 P2 P3 M L A B D a b d
    (cm³/rev.) bar bar bar (r/mín) (r/mín) Kg mm mm mm mm mm mm mm mm
    10 250 270 290 4000 800 4.1 110 53.3 F0 47.6 22.2 20 47.6 22.2 13
    12.5 250 270 290 4000 800 4.3 113 54.8 F0 47.6 22.2 20 47.6 22.2 13
    14 250 270 290 4000 700 4.5 115 55.8 F0 47.6 22.2 20 47.6 22.2 13
    16 250 270 290 3500 700 4.7 118 57.1 F0 47.6 22.2 20 47.6 22.2 13
    18 250 270 290 3500 600 4.9 120 58.3 F1 52.4 26.2 25 47.6 22.2 20
    19 250 270 290 3500 600 5 121 58.8 F1 52.4 26.2 25 47.6 22.2 20
    20 250 270 290 3500 500 5.1 123 59.6 F1 52.4 26.2 25 47.6 22.2 20
    23 230 250 260 3500 500 5.25 126 61.3 F1 52.4 26.2 25 47.6 22.2 20
    25 230 250 260 3500 500 5.45 129 62.6 F1 52.4 26.2 25 47.6 22.2 20
    26.5 230 250 260 3500 500 5.6 131 63.6 F1 52.4 26.2 25 47.6 22.2 20
    28 230 250 260 3500 500 5.75 133 64.6 F1 52.4 26.2 25 47.6 22.2 20
    30 230 250 260 3000 400 5.95 135 65.6 F1 52.4 26.2 25 47.6 22.2 20
    32 200 230 250 3000 400 6.15 138 67.1 F1 52.4 26.2 25 47.6 22.2 20
    36 200 230 250 2750 400 6.55 142 69.1 F1 52.4 26.2 25 47.6 22.2 20
    40 160 180 200 2500 400 6.9 148 71.6 F1 52.4 26.2 25 47.6 22.2 20
    45 160 180 200 2500 400 7.45 153 74.6 F1 52.4 26.2 25 47.6 22.2 20
    • Bomba de engrenagem externa
        Grupo 0.5 (0.19~2cm³/rev.) Grupo 1 (0.8~8cm³/rev.) Grupo 1.2 (0.8~12cm³/rev.) Grupo 1.25 (1.4~13.8cm³/rev.) Grupo 1.3 (1.88~9.68cm³/rev.) Grupo 1.5 (2~12cm³/rev.) Grupo 2 (3~30cm³/rev.) Grupo 2.1D (7~20cm³/rev.) Grupo 2.5D (23~40cm³/rev.) Grupo 2.5 (10~45cm³/rev.) Grupo 2.6 (6~44cm³/rev.) Grupo 3 (20~71cm³/rev.) Grupo 3.5 (21.1~105.4cm³/rev.) Grupo 4 (33.1~98.8cm³/rev.)
    • Bomba de engrenagem múltipla
        Grupo 1 + Grupo 1
        (0.8~13.8cm³/rev.)
        Grupo 1.25 + Grupo 1.25
        (1.4~13.8cm³/rev.)
        Grupo 2 + Grupo 1
        (0.8~30cm³/rev.)
        Grupo 2 + Grupo 2
        (0.8~30cm³/rev.)
        Grupo 2.5 + Grupo 2.5
        (10~45cm³/rev.)
        Grupo 2.6 + Grupo 2
        (3~44cm³/rev.)
        Grupo 2.6 + Grupo 2.6
        (6~44cm³/rev.)
        Grupo 3 + Grupo 1
        (0.8~71cm³/rev.)
        Grupo 3 + Grupo 2
        (3~71cm³/rev.)
        Grupo 3 + Grupo 3
        (3~71cm³/rev.)
        Grupo 3A + Grupo 2.6A
        (10~63cm³/rev.)
    • Divisores de fluxo
        Grupo 1.25 (1.4~230cm³/rev.) Grupo 2 (3~250cm³/rev.)
    • Bombas de alta e baixa pressão
        Grupo 1G/1G (0.8~8cm³/rev.) Grupo 1.3G/1.3G (1~13cm³/rev.) Grupo 2G/2G (3~30cm³/rev.)
    Produtos relacionados
    Bomba de engrenagem externa, Grupo 2.6 Bomba de engrenagem externa, Grupo 2.6
    Bomba de engrenagem externa, Grupo 3 Bomba de engrenagem externa, Grupo 3
    Bomba de engrenagem externa, Grupo 3.5 Bomba de engrenagem externa, Grupo 3.5
    Mini bomba de engrenagem externa, Grupo 4 Mini bomba de engrenagem externa, Grupo 4
    Mini bomba de engranagem externa, Grupo 0.5 Mini bomba de engranagem externa, Grupo 0.5
    Mini bomba de engrenagem externa, Grupo 1 Mini bomba de engrenagem externa, Grupo 1
    Mini bomba de engrenagem externa, Grupo 1.2 Mini bomba de engrenagem externa, Grupo 1.2
    Mini bomba de engrenagem externa, Grupo 1.25 Mini bomba de engrenagem externa, Grupo 1.25
    Mini bomba de engrenagem externa, Grupo 1.3 Mini bomba de engrenagem externa, Grupo 1.3
    Mini bomba de engrenagem externa, Grupo 1.5 Mini bomba de engrenagem externa, Grupo 1.5
    Bomba de engrenagem externa, Grupo 2 Bomba de engrenagem externa, Grupo 2
    Bomba de engrenagem externa, Grupo 2.1D Bomba de engrenagem externa, Grupo 2.1D
    Bomba de engrenagem externa, Grupo 2.5D Bomba de engrenagem externa, Grupo 2.5D
    Bomba de engrenagem externa, Grupo 2.5 Bomba de engrenagem externa, Grupo 2.5
    Entre em contato

    Entraremos em contato com você o mais rápido possível.

    • +86-513-83601666
    • +86-18951331823
    • sales@boden-hyd.com
    Outros Produtos
    • Bomba de engrenagem múltipla
      Bomba de engrenagem múltipla Mais
    • Divisores de fluxo
      Divisores de fluxo Mais
    • gh-Low Pumps
      Bombas de alta e baixa pressão Mais
    Produtos
    • Bomba de engrenagem externa
    • Bomba de engrenagem múltipla
    • Divisores de fluxo
    • Bombas de alta e baixa pressão
    Aplicações
    • Equipamentos de manuseio de materiais
    • Maquinário de construção
    • Maquinário agrícola
    • Turbinas eólicas
    • Plataformas aéreas de trabalho
    • Veículos elétricos
    Sobre nós
    • Sobre a empresa
    • História
    • Tour da fábrica
    Contato

    Slyvia Shen
    sales@boden-hyd.com
    +86-513-83601666
    +86-18951331823
    +86-18951331823